一、Buck变换器另外三种叫法
1.降压变换器:输出电压小于输入电压。
2.串联开关稳压电源:单刀双掷开关(晶体管)串联于输入与输出之间。
3.三端开关型降压稳压电源:
1)输入与输出的一根线是公用的。
2)输出电压小于输入电压。
二、Buck变换器工作原理结构图

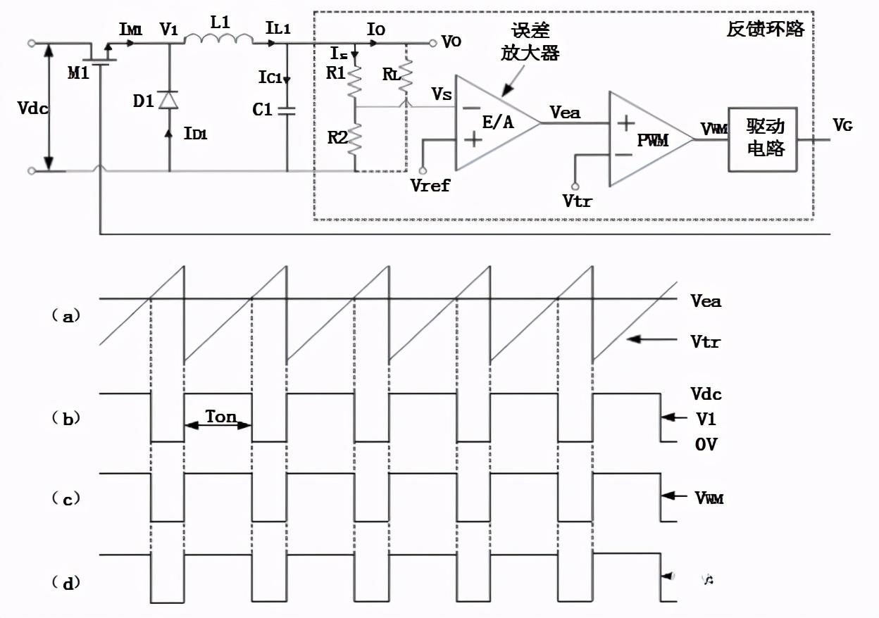
图1 .Buck变换器的基本原理图
由上图可知,Buck变换器主要包括:开关元件M1,二极管D1,电感L1,电容C1和反馈环路。而一般的反馈环路由四部分组成:采样网络,误差放大器(ErrorAmplifier,E/A),脉宽调制器(PulseWidthModulaTIon,PWM)和驱动电路。
三、Buck变换器工作过程分析
图2.Buck变换器的工作过程
为了便于对Buck变换器基本工作原理的分析,我们首先作以下几点合理的假设:
1)开关元件M1和二极管D1都是理想元件。它们可以快速的导通和关断,且导通时压降为零,关断时漏电流为零;
2)电容和电感同样是理想元件。电感工作在线性区而未饱和时,寄生电阻等于零。电容的等效串联电阻(EquivalentSeriesResistance,ESR)和等效串联电感(EquivalentSeriesinductance,ESL)等于零;
3)输出电压中的纹波电压和输出电压相比非常小,可以忽略不计。
4)采样网络R1和R2的阻抗很大,从而使得流经它们的电流可以忽略不计。
在以上假设的基础上,下面我们对Buck变换器的工作过程进行分析。
如图1所示,当开关元件M1导通时,电压V1与输出电压Vdc相等,晶体管D1处于反向截至状态,电流01DI。电流11LMII流经电感L1,电流线性增加。经过电容C1滤波后,产生输出电流OI和输出电压OV。采样网络R1和R2对输出电压OV进行采样得到电压信号SV,并与参考电压refV比较放大得到信号。如图1(a)所示,信号eaV和线性上升的三角波信号trV比较。当eatrVV时,控制信号WMV和GV跳变为低,开关元件M1截至。此时,电感L1为了保持其电流1LI不变,电感L1中的磁场将改变电感L1两端的电压极性。这时二极管D1承受正向偏压,并有电流1DI流过,故称D1为续流二极管。若OLII1时,电容C1处于放电状态,有利于输出电流OI和输出电压OV保持恒定。开关元件截至的状态一直保持到下一个周期的开始,当又一次满足条件treaVV时,开关元件M1再次导通,重复上面的过程。
由分析可得,Buck变换器的工作过程可分为两部分:
1)开关(晶体管)导通:二极管D1截止;电感电流线性增加并储能;电容充电储能;输出电压Vo。
2)开关(晶体管)关断:二极管D1导通;电感释放能量;电容放电;输出Vo。
四、Buck变换器的两种工作模式
按电感电流1LI在每个周期开始时是否从零开始,Buck变换器的工作模式可以分为电感电流连续工作模式(ConTInuousConducTIonMode,CCM)和电感电流不连续工作模式(DisconTInuousConductionMode,DCM)两种。两种工作模式的主要波形图如图2.4所示。下面分别对这两种工作模式进行分析。
图4 Buck变换器的主要工作波形图



