星三角降压启动电路是继电器控制系统中比较经典的一个电路,初学的朋友可能觉得有点难度,下面咱们就用图解的方式讲解一下这个电路图。

星三角降压启动电路图
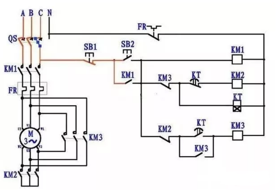
上图即为星三角降压启动电路图,QS为断路器,KM1主接触器,KM2星形连接接触器,KM3角形连接接触器,FR热继电器,KT时间继电器(通电延时型),SB1停止按钮,SB2启动按钮。
图二
图二,合上断路器QS。
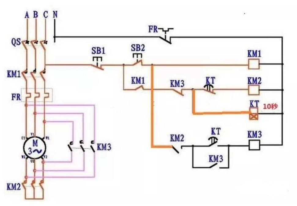
图三
图3,按下启动按钮SB2,从图中红色线可以看出,主接触器KM1吸合,自保。然后,电流通过KM3常闭、KT常闭到星形接触器KM2线圈,KM2吸合,同时时间继电器KT线圈也得电吸合。KM1、KM2吸合将电机接成星形接法,启动。KT吸合开始延时,比如设定延时时间为10秒。
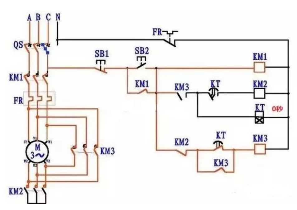
图四
图4,延时10秒以后,KT常闭断开,常开闭合,KM2线圈失电释放,KM2常闭恢复闭合,图中可以看出,KM3线圈得电吸合,自保。KM3常闭断开,KT线圈断电。这时电机转换成角形连接运行。完成了星三角启动。
电动机星三角转换启动原理图解
就是对电机的三相绕组在启动时和正常运转时施加的不同的电压,来降低电机启动时的冲击电流。在启动时对电机绕组施加的是星形接法的电源,就是将电源的三条火线分别与电机三个绕组的一个端点相连,将电机三个绕组的另一个端点同时与电源的零线相连,在这种接法下,电机每个绕组所承接的电压就是220V。由于施加的电压较低,所以启动时的电流会比较小点,减少了对电网的冲击,电机也比较容易启动。当电机启动基本正常后,它的工作电流与启动时相比会大幅减少,这时由控制电路通过时间继电器和接触器的转换,将电机三个绕组改成首尾相连,形成所谓三角形连接,并将三角形的每个“角”与电源的三条火线相连,这时电机绕组中所受到的电压变成了380V,电机就能满负荷工作。
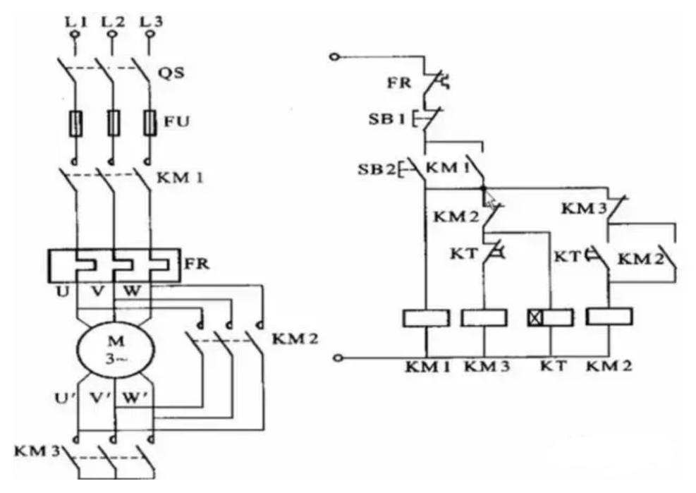
三相异步电动机的三角接法和星型接法区别(把123看为首,456视为尾,首首相连为Y(星)型接法,首尾相连为角型接法)
两种接法,与我们的接入没什么关系,如图2和3,D1、D2、D3接A、B、C三相,具体的区别是电动机接线盒中的不同,三个接线片,一般不进行随便修改,我们只要了解他们的区别就行。图2是星型,图3是角型电动机内部有三组绕组,六个接线端,当把三个绕组的一端连在一起,而另一端分别接电源,连成一个Y型,就是星型接法;这时候电源两相之间的电流是相电流,比线电流小根号3倍;如果把三组绕组的首尾相连,然后三个首尾相连处接电源,连成一个三角形,就是三角形接法;这时候电源两相之间的电流就是线电流,比相电流大根号3倍;通常的星三角启动方式目的就是减小启动电流,而通常电机启动的瞬间电流比较大,所以一般先以Y型启动,再转换为三角形。究竟采用哪种接法,需要看电机铭牌,这和绕组有关系。如果标有380V或者400V,后面画一个三角就三角型接法,画Y就星型接法;大部分电机默认三角形接法,也有一些是380V下以Y型运行的。区别电动机三角接法的功率较大,一般是7.5KW以上采用(也有人说是4KW)星型接法的功率小,三角接法的电动机劲很大.但是对电网冲击很大,一旦启动,周围的灯泡都要暗两下,所以三角接法的电动机很少直接启动,一般采用降压启动、自偶减压启动、变频启动(我只见过变频启动,不过还没搞明白)电动机的接法是可以调整的,当电机的铭牌上出现Y/△标志的时候就可以调整了。一般来说,星型接法的电机的电压是三角接法的1.73倍,如Y/△660/380。注意区分Y/△和Y—△,Y—△的意思的电动机的启动方式是星三角启动。
声明:本文内容及图片来源于网络,侵权请联系删除!谢谢!






