在平时工作中,我们往往容易忽视一些最基础的概念,比如什么是电路、支路、回路、网孔、节点?
电路是由电气部件(通常称为电路元件)按一定规律连接成电流流通的路径,如图(a)所示的是一般家庭用电电气线路图,它是由电源、负载、中间环节三部分组成的。
图中所示的电源是交流电源,电灯、电热器等是负载,其他如导线、开关、熔断器、电度表等都称为中间环节。分析电路或安装电气设备,通常用电路元件的符号绘成电路图,如图(b)所示。

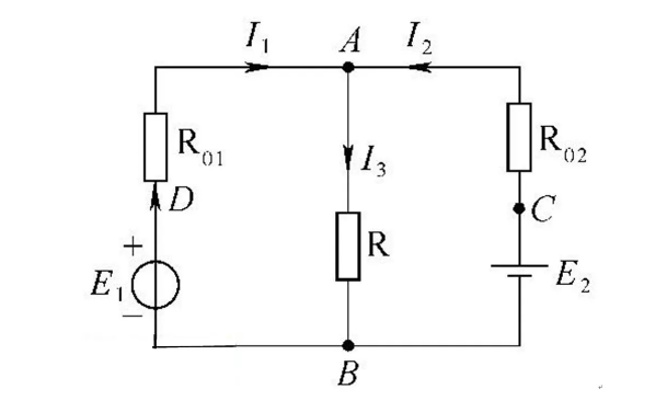
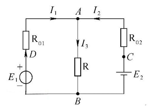
电路中有许多支路。所谓支路,是电路中无分支的一段电路,一个支路中流过同一个电流,如图所示的电路中有三条支路。
电路中有许多回路。所谓回路,就是电路中的闭合电路,如图所示的电路有三个回路。
闭合电路内不含其他支路的回路,称为网孔,如图中的回路ABDA、ABCA称为网孔。3条及3条以上支路相交点,称为节点,如图中的A、B为节点。
现在都清楚了吧,那么接下来考考大家~
1、下面电路图中有几条支路?
(提示:一个两端元件称为一条支路,也可把电流相同的串联元件合在一起视为一条支路。)
2、下面电路图中有几个结点?
(提示:两条或两条以上支路的连接点是结点。)
3、下面电路图中有几条回路?
(提示:由支路构成的闭合路径称为回路。)
4、下面电路图中有几个网孔?
(提示:内部不另含支路的回路。)
声明:本文内容及图片来源于网络,侵权请联系删除。






