设备选型:
选择冷水机组的考虑因素:
1.建筑物的性质、规模、用途:办公用、百货大楼用、工艺用等;
2.螺杆冷水机组的性能和特征:熟悉冷水机组的设计选型手册,了解冷水机组的冷量范围和消耗功率等机组特点。
3.当地的水源特征:包括水量、水温、水质等;
4.建筑物全年空调冷负荷的分布规律,弄清建筑物制冷系统的使用时间分布规律、工艺用空调使用时间分布规律等。

空调负荷估算夏季制冷:
中、小型机械工厂空调车间冷量
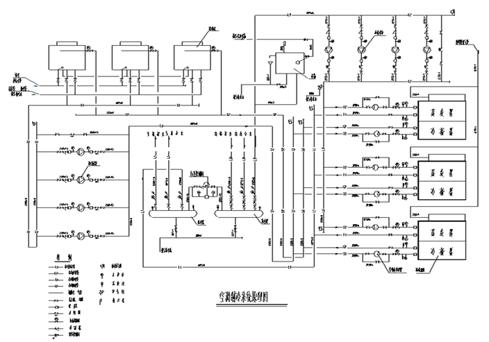
空调水系统:
空调水系统主要包括冷冻水系统、冷却水系统和热水系统,这里主要讲冷冻水系统和冷却水系统,空调水系统设计包括管路系统型式的选择、分区布置方案、管材管径选择、阻力计算与平衡、水量调节控制、管道保温用安装要求、水泵和冷却塔等设备的选择等。
一,空调水系统系统型式的选择:
可区分为开式和闭式,同程式和异程式,双水管、三水管和四水管水系统,上分式和下分式等;按运行调节方法可分为:定流量和变流量;按水泵供水方式可分为:单式水泵供水系统和复式水泵供水系统;
1)开式与闭式系统
开式系统的末端水管路是与大气相通的,而闭式系统的管路并不是与大气相通。所以凡连接冷却塔、喷水室和水箱等设备的管路均构成开式系统 。由于开式系统的管路与大气相通,所以循环水中氧含量高,容易腐蚀管路和设备,而且空气中的污染物如烟尘、杂物、细菌、可溶性气体等易进入水循环,使微生物大量繁殖,形成生物污泥,所以管路容易堵塞并产生水锤现象。
一般冷却水系统即为开式系统。
与开式系统相比,闭式系统的水泵能耗小,管路和设备的腐蚀可能性小,水处理费用便宜。但由于系统的补给水需要以及给予系统内的水在温度变化时有体积膨胀的余地等原因,所以闭式系统需设膨胀水箱。一般冷冻水系统即为闭式系统。
2)同程式回水方式和异程式回水方式
对于同程式回水方式在各机组的水阻力大致相等时,由于各并联环路的管路总长度基本相等,所以系统的水力稳定性好,流量分配均匀;
异程式回水方式的优点是管路配置简单,管材省,但是由于各并联环路的管路总长度不相等,存在着各环路间阻力不平衡现象,从而导致了流量分配不匀。可是,如果在各并联支管上安装流量调节装置,增大并联支管的阻力,那么异程式回水方式也是可以达到令人满意的效果的。
3)定水量系统和变水量系统
定水量系统通过改变供回水温差来适应房间的负荷变化要求,系统中的水流量是不变的。在定水量系统中,负荷侧(末端设备或风机盘管机组)大部分采用三通阀进行调节。三通阀进行双位控制,当室温没有达到设计值时,室温控制器使三通阀的直通阀座打开,旁通阀座关断,这时系统供水全部流经末段空调设备或风机旁管机组;当室温达到或超出设计值时,室温控制器使直通阀座关闭,旁通阀座开启,这时系统供水系统全部经旁通流入回水管系。
变水量系统改变水流量(供回水温度不变)来适应房间负荷变化要求。在变水量系统中,负荷侧通常采用二通调节阀进行调节,如图所示。常用的二通阀也是双位控制的,当室温没有达到设计值时,而通阀开启,系统供水按设计值全部流经风机盘管机组;当室温达到或超出设计值时,由室温控制器作用使二通阀关闭,这时系统停止向该负荷点供水。由于变水量系统的管路内流量是随负荷变化而变化的,因此,系统中水泵的配置和流量的控制必须采取相应措施。
4)单式水泵供水系统和复式水泵供水系统
单式水泵供水系统:空调水系统有冷、热源侧(制冷机、热交换器)和负荷侧(空调设备)合用水泵的单式环路;
复式水泵供水系统:空调水系统有冷、热源侧(制冷机、热交换器)和负荷侧(空调设备)分别设置水泵的复式环路;
二,水管系统
管内水流速推荐值[m/s]
水煤气输送钢管是按照标准用碳素软钢制造的俗称熟铁管。它有镀锌管(俗称白铁管)和不镀锌管(俗称黑铁管)之分。它的管壁纵向有一条焊缝,一般用护焊法和高频电焊法焊成。钢管管端有带螺纹和不带螺纹两种。根据管壁的不同厚度,水,煤气输送钢管又可分为普通管(适用于公称压力Pg≤1.0[Mpa])和加厚管(适用于公称压力Pg≤1.6[Mpa])。这两种壁厚都可用手动工具或套丝机在管端加工管螺纹,以便采用螺纹连接 。
管道连接方法有螺纹接,法兰接和焊接三种,应按所选管材和最大工作压力选定。当选择与设备(或阀件)相连接的法兰时,应按设备和阀件的公称压力(注:对于空调工程范畴的水管,最大工作压力可以当作公称压力考虑来选择)。当采用凹凸式或榫槽式法兰连接时,在一般情况下,设备和阀件上的法兰制成凹面或槽面,而配制得法兰制成凸面或榫面。在选用法兰时应优先选用标准法兰 ,非标准法兰是要自行设计的。我国现行法兰技术标准的公称压力(Pg)系列为0.1,0.25,0.6,1.0,1.6,2.5,4.0,6.4[Mpa]时,一般应按1.6[Mpa]等级选用。
三,空调冷却水系统
1):冷却水泵和冷却塔的配置:
通常一台冷水机组配置一台冷却水泵,并且应有备用冷却水泵,备用泵预先连接在冷却水管路系统中,可以切换使用。
为了利于安全运行和维护保养,冷水机组的冷凝器应宜设置在冷却水泵的压出段。冷却水泵的吸入段应设过滤器。
以便于调节控制冷水机组为原则,冷却塔的配置可以是一台冷水机组对应一台冷却塔。多座冷却塔并联运行时,应设进水干管和出水干管。
2)冷却水泵的选择:
冷却水泵的流量应为冷水机组冷却水量的1.1倍。
冷却水泵的扬程应为冷凝器水压降△P1、冷却塔开式段高度Z、管路沿和损失及管路局部损失四项之和的1.1~1.2倍。
作为估算用,管路中管件局部损失可取5mH2O,沿程损失可取每100m管长约5mH2O。
水泵扬程H(mH2O)= △P1+ Z+5+0.05L
其中:L为冷却水系统来回管路总长(M)
依水泵的流量和扬程可查有关水泵的性能参数表来选用水泵。水泵的出水管上还应安装有压力表和温度计,以利检测。
3)冷却塔的选择
冷却塔的作用是使水在塔内与空气进行热湿交换而得到降温。为了减低城市供水管网的负荷,空调工程中制冷系统冷凝器用的冷却水基本上都是采用冷却塔处理而循环使用的。冷却塔多为开放式并配用风机,使空气与待处理的冷却水强制对流,以提高水的降温效果。塔内装有高密度的亲水性填充材料。常用的冷却塔有逆流型和直交流型两种。
选择冷却塔的型号和规格,首先应根据工程设计资料计算需要的冷却水量W:
式中:Qc-冷却塔排走的热量,[KW];
对于压缩式制冷机,取制冷机负荷的1.3倍左右;
C-水的比热,[KJ/kg C]。常温时c=4.1868[KJ/kg C]。
tw1-tw2-冷却塔的进出水温差,[C];
对于压缩式制冷机,取4~5[C];
冷却塔的安装位置应选在不受日照之处,空气要流畅且不能受污染(指热、废气和尘埃等)。当冷却塔采用有叶窗围挡时,则百叶窗的开口面积要取得足够大,以便使空气有小于2[m/s]的速度流经百叶格。机械通风式冷却塔在运行时难免会有水滴飞溅现象,在冷却塔选址时也要注意。
因为冷却水在塔内处理过程中不断蒸发,因此水循环系统需要不断补给水。冷却塔补给水管的管经选择时应考虑高架水箱水位的高度,根据可资利用的压头进行配管设计。补给水量可根据产品样本提供的数据确定,一般,可取冷却塔循环水量的1~3%。
pH值:6.5~8.5;
浑浊度:最大容许含量<=200[mg/l]
碳酸盐硬度:8~30度(指德国度)
实用中最有效的水处理方法是化学清理方法,即根据水质的情况定期向系统内投入请洗药剂进行水处理,使水质到达指标要求。
使用经过水处理的软水作为补给水是冷却水系统最理想的水源。如果现场不具备上述条件,为了改善水质指标可以采用下述简易方法,即调节冷却塔底池的排污阀在某一开度,使维持连续少量的排水,借以使冷却水系统内的水硬度保持在极限值以下。补给水量可以从水系统的水量平衡和盐度平衡进行计算。
冷却塔型号规格选定时,尚需复核所选冷却塔的结构尺寸(指占地面积和高度)是否适合现场的安装条件,要根据冷却塔的运行重量核算冷却塔安装位置的楼板(或屋面板)结构的承受能力;同时要重视所选冷却塔在运行时的噪音水平,使满足环境噪音要求。选择理想的冷却塔还要重视它的能耗指标和价格。
4) 保温
在较炎热的地区和日照比较强烈的地方,室外明装的冷却塔进出水温需保温。
五,冷冻水系统
1)冷冻水泵的选择:
冷冻水泵的流量应为冷水机组冷冻水量的1.1~1.2倍。
冷冻水泵的扬程应为它承担的供回水管网最不利环路的总水压降的1.1~1.2倍。最不利环路的总水压降包括:冷水机组蒸发器的水压降△P1、该环路并连的各台空调未端装置的水压损失最大一台的水压降△P2、管路沿和损失及管路局部损失。
作为估算用,沿程损失可取每100m管长约5mH2O
水泵扬程H(mH2O)= △P1+ △P2+5+0.05L(1+K)
其中:L为冷却水系统来回管路总长(M)
K为最不利环路局部阻力当量长度总和与直管总长的比值。环路较长时,K取0.1~0.3,较短时取0.4~0.6.
依水泵的流量和扬程可查有关水泵的性能参数表来选用水泵。
水泵的出水管上还应安装有压力表和温度计,以利检测。通常一台冷水机组配置一台冷冻水泵,并且应有备用冷冻水泵,备用泵预先连接在冷冻水管路系统中,可以切换使用。
2)膨胀水箱:
膨胀水箱的容积是由系统中水容量和最大的水温变化幅度决定的,可以用下式计算确定: Vp=αΔtⅴ3 [m³]
式中:Vp-膨胀水箱有效容积(即由信号管到溢流管之间高差内的容积,[m³];
α-水的体积膨胀系数,=0.0006,[1/℃];
Δt-最大的水温变化值,[℃];
ⅴ3 -系统内的水容量,[m³],即系统中管道和设备内存水量的总和。
估算法:办公楼建筑。
系统内的水容量[l/m²建筑面积]
从以上计算达到膨胀水箱得有效容积后,即可从采暖通风标准图籍
(二)进行配管管径选择。
膨胀水箱的规格尺寸及配管的公称直径
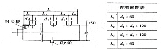
3) 集水器和分水器
在采用集中供冷,供暖方式的工程中,为了有利于各空调分区流量分配和调节灵活方便,常常在供回水干管上分别设置分水器和集水器,再从分水器和集水器分别连接各空调的供水管和回水管。这样的联结方式使得各分区供回水管上的安装和维修操作都十分方便。分水器和集水器实际上是一大段管径的管子,只是在其上按设计要求焊接上若干不同管径的管接头。
确定分水器和集水器管径的原则是使水量通过时的流速大致控制在0.5~0.8[m/s]。
分水器和集水器上各配管的间距可参考上图
分水器和集水器都用无缝钢管制作。选用的管壁和封头板的厚度以及焊缝作法应按耐压要求确定。分水器和集水器的底部应有排污管接口,一般选用Dg40。
4)除污器和水过滤器
为防止水管系统阻塞和保证各类设备和阀件的正常功能,在管路中应安装除污器和水过滤器,用以清除和过滤水中的杂物和粘混水垢。一般,除污器和水过滤器安装在水泵的吸入管和热交换设备的进水管上。其它如供暖系统上的减压阀和自动排气阀等小通径阀件前的管路上都应安装。
工程上常用的除污器有立式直通式,卧式直通式和卧式角通式几种,可视现场安装条件选用。
除污器和水过滤器的型号都是按照连接管的管径选定的。连接管的管径应该与干管的管径相同。在进行阻力计算时,目前工程上常用的除污器的局部阻力系数可取4~6;水过滤器的局部阻力系数可取2.2。它们都对应于连接管的动压。
在选定除污器和水过滤器时应重视它们的耐压要求和安装检验的场地要求。除污器和水过滤器的前后,应该设置闸阀,供它们在定期检修时与水系统切断之用(平时处于全开状态);安装时必须注意水流方向;在系统运转和清洗管路的初期,宜把其中的滤芯卸下,以免损坏。
5)管道保温
减少管道的能量损失,防止冷水管道表面结露以及保证进入空调设备和末端空调机组的供水温度,管道及其附件均应采用保温措施。
保温层厚度选用参考表
注:其他管道如冷凝水管、室外明装的冷却塔出水管以及膨胀水箱的保温层厚度。
管道和设备的保温结构一般由保温层和保护层组成。对于敷设在地沟内的管道和和输送低温水的管道还需加防潮层。
管道保温结构的施工应在管道系统试压和涂漆合格后进行。在施工前应先清除管子表面的脏物和铁锈,涂上防锈漆两道,要保护管道外表面的清洁并使其干燥。在冬、雨季进行室外管道施工时应有防冻和防雨的措施。
保温结构的形式甚多,视选用的保温材料、管径大小和管径的外界环境条件而异。目前,空调工程中水管大多用管壳式保温材料,并采用绑扎式结构,在管壳的外面应包裹油毡玻璃丝布保护层涂抹石棉水泥保护壳。注意:在用矿渣棉或玻璃棉制的管壳作保温层时,宜使用油毡玻璃丝布保护层,而不宜选用石棉水泥保护壳。
设备安装及系统调试:
双螺杆压缩机:
容积式压缩;阳转子 5 个凸齿,阴转子 6 个凹槽。
5次压缩对应阳转子转一圈,5×3000rpm = 15000次排气/分钟的螺杆线型(啮合表面运行平稳)。
油的管理:
油具有以下作用:
A) 相邻转子间的动态密封;
B) 轴承润滑;
C) 制冷量调节的滑阀控制;
D) 冷却压缩机。
油的回路:
油的循环:
确保油槽和射油口之间的压力差不需要油泵;
压缩机在规定的使用范围内运行时能确保油的循环。
注意:在启动20秒内,压缩机必须进入使用规定运行范围。
在特殊应用场合应采取以下专门措施:
冷凝器风机延时启动;
在压缩机与冷凝器之间加设压力调节阀。
油的流量:
油的流量取决于排气和吸气压力之间的压力差:
VOIL:容积流量;K:由压缩机型号确定的系数;
PS:排气压力;PA:吸气压力。
油过滤器:
油加热器:
在停机期间以防止过量的制冷剂稀释到油中。
无任如何必须在压缩机停机时对电加热器通电。
油位:
吸气过滤器:
润滑监控:
1) 排气温度监控
缺油会引起排气温度的突然升高;
电子保护模块INT 69 RCY能对排气温度进行监控。
2) 压力差开关 HP/LP:
D p HP/LP > 6 bar →压缩机 开
D p HP/LP < 6 bar →压缩机 停
延时time delay (仅在启动时:20 秒内)
3) 油位控制 (浮球类型)
建议在这些应用场合(长的管道布置、冷凝器远距离布置)使用油位监控器来严格控制油位。
控制功能:
1 低卸载启动功能
2 多压缩机分时启动功能
3 压缩机容量调节功能
4 机组自动启停、卸载功能
5 机组强制启停、卸载功能
6 最短运转时间限制功能
7 定时开关功能
8 记忆功能
9 压缩机油加热器控制
10 液管电磁阀控制
11双压缩机均衡运行控制
12自动控制冷冻水泵、冷却水泵、冷却塔风机运行
13远程监控系统
保护功能:
1 压缩机高低压保护
2 压缩机排气高温保护
3 压缩机过载保护
4 逆(缺)相保护
5 蒸发器防冻保护
6 冷凝器防过热保护
7 低流量保护
8 频繁启停保护
9 冷冻水、冷却水水流开关保护
性能参数:
A、名义工况:
1、冷冻水进出水温度:12/7℃
2、冷却水进出水温度:30/35℃
B、运行范围:
1、冷冻水出水温度:5~15℃;
2、冷却水出水温度:22~37℃,进出水温差:3.5~8 ℃。
3、电源:3N~380V 50Hz 进出水温差:2.5~8 ℃;
4、电压波动:±10%。
性能参数的修正:
卸载运行性能:
二,设备验收:
设备的外包装基本完好。
机组的油漆完好。
机组内部的连接线路完好。
机组的高低压压力压力正常。
机组的连接管路完好。
机组的油位正常。
技术文件是否齐全。
三,安装基础
⑴机组的安装基础必须是水泥或钢制结构,应能承受机器的运行重量,且上平面是水平的。机组的安装基础最好能预留排水槽。
⑵参考机组的安装基础示意图。待地脚螺栓准确就位后再进行二次灌浆。然后再上准确地安放钢板及隔振胶垫及机组,地脚螺栓的安装一般露出安装平面约60mm。
基础标准混凝土比例为:水泥:1,沙:2,石子:3,并且每隔300mm插入一根直径10mm的钢筋。在机组适当位置安装减震器或隔振垫,以避免振动传到基础或其他地方去。如果在首层安装,建议采用隔振垫;如在天台安装,建议采用避振弹簧。
四,安装环境
⑴按安装及运行空间示意图 留出机组安装、操作、维修所需空间。
⑵机组安装处应能确保机器免受曝晒和雨淋;应尽量免受火、易燃物、腐蚀性气体或废气的影响;应预留通风空间;应采取适当的措施,尽可能减小噪音和振动。
⑶任何情况下,机组不得安装于室外。
五,机组管路安装
机组找平后,可连接冷冻水、冷却水管道。配管应有伸缩补偿量并有足够的独立支撑,避免将任何变形或振动传给机组。管道最好也设立管路支撑且必须确保管道对中,必要时管支撑也可加装隔振垫,充分发挥机组隔振垫的减振作用。
标准机组水侧设计工作压力为1.0MPa。机组的进水和出水管口附近设有标志识别,供管道连接时参考。
管路连接具体注意事项如下:
⑴按要求连接管路,然后将管路接到机组上。所有水管与机组﹑水泵及其他设备连接之前,必须清理或冲洗干净。
⑵对于蒸发器中冷冻水的出/入口,使用随机配置的法兰盘和标准螺栓连接,管路连接好后,从机组正面看去,冷冻水应从右侧流入,左侧流出。对于冷凝器中冷却水的出/入口,使用随机配置的法兰盘和标准螺栓连接,管路连接好后,冷却水应从下部流入,上部流出。
⑶在冷冻水/冷却水的出/入口管路上安装温度计,便于机组维护。在管路上正确安装闸阀和排水阀,使机组长期停机时,余水能从蒸发器和冷凝器中排出。
⑷在冷冻水/冷却水的入口处安装可进行拆洗的水过滤器。如水泵离机组很近,则可将水过滤器设于水泵入口处,以保护水泵和机组;
⑸在冷冻水/冷却水管路上的水过滤器前预留一个接口,在进行清洗时可由此加入清洗剂。
⑹在邻近机组的冷冻/冷却水水管上需设置水流开关,并与机组电气控制系统联锁。
⑺需在冷冻水管路上做绝热保温处理。
⑻必要时,可以安装旁通阀,用于调节进出冷凝器、蒸发器的水压差。
⑼应保证水的循环流量,使冷冻/冷却水进出口之间的温差在3至5度之间。
⑽在封闭管路系统的最高处需安装排气阀,用于排出回路中的空气。
⑾在冷冻水/冷却水管路上要安装压力表,以便确认冷冻水/冷却水的压力与流量是否在要求范围之内,从而方便检修。
⑿在水管接好,加装保温层之前,拧紧各联接法兰处螺母,然后向水回路中灌水,手动启动水泵,仔细检查水系统管路是否渗漏。如有渗漏,立即修复。在机组初次运行前,应当在水系统的高处彻底排放出冷冻水和冷却水回路中的空气。
六,电气安装
1.在任何电气安装工作之前应确保切断总电源,在适当的位置安装总电源开关柜。
2.通过电线连接孔把主电源线、接地线接到机组电控柜内,并将接线接到相应的接线座和地线座上。必须保证L1,L2,L3各相的正确连接。
3.确认主电源的电压波动是在铭牌标出的10%范围之内,且电压的不平衡在2%以内。
4.将冷冻水泵、冷却水泵、冷却塔风机的交流接触器控制线、水流开关与机组电控系统正确连接。
5.主电源应在开机前8小时接通,并在工作季节应一直供电,使压缩机加热带在压缩机未开时能进行加热,使集结在压缩机内的制冷剂液体挥发,避免直接开机对压缩机产生的不良影响。
6.确认机组可靠接地。
7.电源要求。
机组必须可靠接地!接地线应接在建筑物的专用接地装置上,绝不能把地线接在自来水管或煤气管、避雷针接地线或电话接地线上。
线路必须由专业人员按国家布线规则进行安装。
固定线路中必须装备有足够电源容量的漏电保护开关或空气开关。
七,水系统调试
在进入水系统调试前,应确定空调水系统的设备与附属设备、管道、管配件、阀门的型号、规格、材质及连接型式符合设计规范。观察检查外观质量证明文件、材料进场验收记录。
1,水系统渗漏检查
管道安装时,外观检查不得有砂眼、裂纹、重皮、夹层、严重锈蚀等,对于洁净度要求较高的管道安装前应进行清洗,对忌油管道安装前应进行脱脂处理,管道与设备的连接,应在设备安装完成后进行,与水泵、制冷机组的接管必须为柔性接口,柔性短管不得强行对接,与其连接的管道应设置独立支承。管道安装完毕检查合格后,应按设计规定对管道系统进行强度和严密性试验,以检查管道系统以及连接部位的工程质量。在试验前,应将不能参加试验的系统、设备、仪表及管道附件等加以隔离,加置盲板的部位应有明显标记和记录。
空调工程水管系统的试验用水作介质。
对于管线较长的或者管线高低标高差很大的,可以分段或分层作水压试验,这时要用临时盲板把受试段的管道与系统其他部分隔断。
试验是这样进行的:
首先,压缩空气清除管内杂物,需要时用水冲洗,水流速度取1.0~1.5[m/s],直到排出的水干净为止(注意:在冲洗的同时要用小锤敲打管道),然后向管道系统内注水,此时,应把管道系统各高处的排气阀全部打开,让系统内空气排尽,待水灌满后关闭排气阀和进水阀。接着,用临时连接在管道中作试验用的手摇试压泵或电动试压泵加压,压力应逐渐升高,当压力加到一定值,应停下来对管道进行检查。无问题时继续加压,一般分2~3次升到试验压力;待压力表的指示压力达到试验压力时即停止加压,在该压力下保持10min,如果在这段时间里未发现管道有渗漏或者变形现象,且压力表的指示压力也不下降,则认为强度试验合格。强度试验压力取工作压力的1.25倍,但不可小于工作压力加0.3[Mpa]。然后,把强度试验压力降至工作压力进行严密性试验(严密性试验压力等于工作压力)。在工作压力下对钢管进行全面检查,并且用质量为1.5[kg]以下的小锤在距焊缝15~20[mm]处沿焊缝方向轻轻敲打,到检查完毕时,如果压力表指示的压力值不下降,又管道的焊缝和法兰连接处均未发现有渗漏现象,即可认为严密性试验合格 。
注意:试验用的压力表应预先经过校核并合格,精度不低于1.5级,表的满刻度值为最大被测压力的1.5~2.0倍,压力表不可少于两个。
2)水系统清洁度与水处理
清洗前,应将管道系统的流量孔板、滤网、温度计、调节阀阀芯、止回阀阀芯,Y型过滤器等过滤器的滤芯折除,等清洗合格后再重新装上。冲洗时,以系统内可能达到的最大压力和流量(不小于1.5m/s)进行,直到出水口的透明度与入口处目测一致为合格。合格后,再循环试运行2小时以上,且水质正常后才能与制冷机组、空调设备相贯通;
当循环水质达不到要求时,循环冷却水处理主要是解决循环冷却水的结垢、腐蚀、污垢和微生物的问题。具体地说,控制腐蚀率要小于0.125(mm/a);年污垢系数要达到0.00017~0.00025㎡*K/W,每毫升水的厌养茵数小于是1000个。为了达到上述要求,要适当投加阻垢剂,以防止结垢,投加缓蚀剂以防止腐蚀,用剥离杀生剂来消灭微生物。但是,情况并不是很简单的,因为影响因素很多,例如补充水质、循环水浓缩倍数、循环水水质、流速、换热器结构与材料、工艺介质渗漏及水温等,各厂都有不同。因此,因此,循环冷却水处理的药剂配方也不相同。
离子交换树脂法:让水通过阳离子交换树脂,利用树脂的特性,将Ca离子呼附在树脂上。达到除Ca离子的目的。
投加阻垢剂:碳酸钙等水垢从水中析出的过程,就是微溶性盐从溶液中结晶沉淀的一种过程,因此,如能投加某此阻垢剂,破坏其结晶的增长,就可达到控制水垢形成的目的。常用的阻垢剂有聚磷酸盐、磷酸盐、磷酸酯类、聚合电解质、分散剂等,其反应原理是将水中的钙离子与阻垢剂形成 合物,破坏了碳酸钙等到晶体的正常生长过程,从而阻止了碳酸钙水垢的形成。聚磷酸盐还有缓蚀作用。
投加缓蚀剂:缓蚀剂的种类很多,应用比较广泛,一般可分为无机缓蚀剂,如铬酸盐、亚硝酸盐、磷酸盐、硅酸盐、钼酸盐、锌酸;有机缓蚀剂,如硫脲、磷酸等。缓蚀剂的作用是能使金属表面形成各种不同的膜,有氧化膜、沉淀膜和吸附膜。
投加杀生剂:在循环冷却水系统中,水的温度和PH值的范围恰好适合多种微生物生长,而且随着水的浓缩,使冷却水中的营养源增加,再加上冷却池常落置在室外,阳光充足,因此给微生物提供了良好的条件。由于微生物的繁殖而引起的危害必须给予重视。
当补水进入系统前,预先经过过滤处理,可以除去水中的藻类等悬浮物质,对循环水也可用过滤法去除悬浮的藻类、混蚀物等。在循环冷却水系统中,投加杀生剂是止前抑制微生物的通行办法。杀生剂可分为氧化性和非氧化性两大类。氧化性是一种强氧化剂,如臭氧等,非氧化性杀生剂的效果要好,一般有氯代苯酚。
3) 水系统的排空:
空调供回水水平干管应保证有不少于3‰的敷设坡度,空调供水干管为逆坡敷设,回水干管为顺坡敷设,在系统干管的末端设自动排气阀。
检查整个水系统,不得出现水系统出现负压区;
系统排气阀设置于系统最高点,且经过充分排空;
水系统压力表只有轻微摆动,无异常摆动;
开机后,进出水温差无异常跳动;
4)水泵流量
查阅工程设计文件,确认水泵是否合适;
进出水温差是否超过7℃;
根据进出水温度及名义水流量计算出制冷量与该工况下机组制冷量进行对比,如果差别超过20%,说明水流量偏小;
5)水路系统各温度计的检查:
检查各温度计的安装是否正确。
水路系统各温度计值基本一致,读数大致符合当时水路的水温;
水泵启动后,机组开启后,机组进出水温度计读数温差是否有差值(一般为7℃左右);
6)水路系统的化学及物理清洗
水系统清洗就是去除和防止结垢和腐蚀,以及微生物粘泥的形成。通常由一定的配方药剂,在循环水系统中的换热热器中形成一层极薄的而不影响换热效果的保护膜。要使这层保护膜均匀、致密和完整必须要求管壁表面清洁,无锈垢物沉积在上面,这样才能使水处理剂扩散到金属表面,而形成一层保护膜。为此,需进行循环冷却水处理的化学清洗,特别是对一此老系统更需要进行化学清洗。
对于锈垢并不严重的循环水系统,可以整个系统一起清洗。常用的化学清洗剂有B40清洗剂、SWC-1清洗剂及SWC-2清洗剂。
对于锈垢严重的换热器,用上述方法在到预期的效果的,必须进行单塔的化学清洗、酸洗、碱洗,然后再作钝化处理,效果好的配方是SHC-1配方和NL-5配方。
当系统的化学清洗结束后,进行预膜处理。循环冷却水的预膜处理(或称基础处理)是很重要的一步,预膜处理的成功很大程度上取决于化学清洗的效果,主要的预膜剂有B807剂、TS-102预膜剂、及SW预膜剂等。
将不停机化学清洗的操作程序介绍如下:
操作步骤为:杀菌灭藻清洗→酸洗→中和→预膜。
1,杀菌灭藻清洗 杀菌灭藻清洗应选择杀菌效果好并且有较好生物污泥剥离能力的杀生剂。比如选择次氯酸钠和新洁尔灭搭配使用;杀菌灭藻清洗时间一般比较长,可每隔3~4小时测定一次水的浊度,当浊度曲线趋于平缓,即可结束清洗。
2,酸洗,杀菌灭藻洗后就可以进行清洗。应选择合适的缓蚀剂和酸洗剂。一般不停机清洗是在低PH值下进行的。
先向水系统中加入缓蚀剂,待缓蚀剂在水系统中循环均匀后就可加入酸洗剂。加入算洗剂应采用滴加法,使水中的PH值缓慢下降并维持在2.5~3.5之间。
在酸洗过程中,应经常测定水中的离子浓度,一般清洗开始阶段,每4h一次,清洗中后期阶段,没2h一次。以总铁曲线趋于平缓作为酸洗终点,浊度曲线可作为辅助终点判断手段。
在酸洗过程中,还可加入一些表面活化剂和剥离剂,来促进酸洗效果。
酸洗后应向水系统中补加新鲜水,同时从排污口排放酸洗废液,以降低水系统中的浊度和铁离子浓度,同时加入少量的NaCO3中和残余的酸,为下一步的预膜打好基础。
3,预膜,酸洗结束后,向系统中投加一定剂量的预膜药剂进行预膜。预膜完成后将高浓度的预膜水用补加水的方式稀释排放,控制总磷值为10mg/L左右,然后转入正常的水处理。
物理清洗:
物理清洗只能将循环水系统分成设备、管道等几个部分进行清洗。主要清洗方法有:用尼龙刷拉刷;高压水射流清洗等。这些方法主要适用于水冷式冷凝器。
1,用尼龙刷拉刷清洗,先将冷凝器两端的封盖拆下,然后向换热管内通以加压水或压缩空气,管刷沿水平方向来回刷动。管刷柄的长度应大于1/2管长;
2,高压水射流清洗,此方法还可用于清洗管道等设备。在清洗换热器时,需将换热器两端头拆下,用高压水枪逐根清洗换热管。对于管道,则可采用有扰性枪头的高压水射流清洗。
八,机组调试与试运行
1、调试前检查:
⑴机组安装情况检查:调试前,需检查机组的安装位置及环境、基础状况、维修空间等是否符合要求。
⑵水系统检查。检查冷冻水管路的保温状况,冷却水、冷冻水管路的冲洗、水质状况等是否满足要求。
⑶检查水泵流量,截止阀、排污阀、水过滤器、排气阀、水流开关等的状态是否符合要求。
⑷检查水系统压力表值、温度计值等的初始状态是否符合调试前的要求。
⑸空调负荷检查:
检查末端空气处理系统是否正确连接;
检查送风口是否畅通;
检查负荷空间的封闭及隔热状态是否满足要求;
⑹检查空调负荷的大小是否与机组匹配。
⑺接线检查:每台机组均按机组铭牌要求配备专用电源,接线完成后,请检查以下诸项:
检查连线和空气开关的大小规格是否正确;
检查电路安装是否满足标准要求;
检查线路有无连接错误;
检查互锁功能是否工作正常;
检查接触器上的接点是否能准确地工作。
检查机组电源的供电及绝缘情况。
⑻检查控制及保护元件初始值的设定是否满足要求。
2、调试运行
调试前检查完毕后,机组可进入调试运行阶段。
⑴如果气温较低或机组长时间未启用,在开机前应先给机组供电(机组不要启动),以使压缩机加热带工作,加热时间不低于8小时。
⑵仔细调节冷冻/冷却水系统上流量调节阀或机组进口截止阀,使系统水流量达到使用要求。
⑶通过操作显示器,检查机组故障记录,如存在故障,检查后消除,确认机组无故障,并验证控制器参数设定无误后,可按下启动键启动机组。
⑷机组启动后,检视压缩机转向,如反转,请调整电源线的其中两相线;检查压缩机润滑油,要求油镜中的油位应保持在可视位置。
⑸试运行30分钟,根据用户负载及水系统实际情况设定进水温度,保证机组运行过程正常。停机后,间隔10分钟再投入运行,以防机组频繁启动。最后仔细检查操作显示器的参数设定情况,结束调试试运行。
注意事项:
1.在水系统冲刷时,不得开启机组。
2.水系统未充分排空前,不得开启机组。
3.水管上必须安装水流开关,水流开关必须与机组连锁,否则在机组运行中出现断水而引起的故障由用户负责。
维修操作指南:
1、干燥过滤器滤芯的更换
更换零件应使用格力电器所供配件,不得随便用其他公司类似配件代替。
1)干燥过滤器滤芯的更换步骤:
A,机组运行中未停机前,将角阀的阀杆顺时针尽快旋转到底部,等待机组自动停机,或约2分钟后手动停机。
AB,拧开角阀上注氟嘴的螺母,放掉该段管路中剩余的制冷剂。打开过滤器的端盖取出旧滤芯换上新滤芯并装上端盖。
C,从角阀上的注氟嘴抽真空约5分钟。
D,把角阀上的阀杆逆时针尽快旋出到顶部,拆除抽真空连接管,拧紧管口螺母。
AE,对端盖处及管口螺母处检漏。如漏再拧紧。
2)现场检漏
1)声响检漏
当制冷系统中的制冷剂温度、压力较高时,系统的泄露处有时会有微弱的嘶嘶声,可根据声响部位判断泄露处。
2)目测检漏
在氟利昂系统制冷装置中的某些部位,若发现有漏油滴油、油迹等现象时,既可判断该处有氟利昂制冷剂泄露。
3)浓肥皂水检漏
这是目前应用的非常普遍,而且方便有效的一种方式。先将肥皂水切成薄片,浸泡在热水中,不断搅拌使其溶化,待冷却成稠状浅黄色溶液即可使用,检漏时,先将被检部位的油污擦洗干净,用清洁的白纱布或毛刷蘸透肥皂水,涂抹于检漏处,静待数分钟后观察,如被检漏部位出现白色泡沫或气泡不断溢出,即说明该点是泄露点。
4)卤素灯检漏,详见仪器操作说明。
5)电子卤素灯检漏仪检漏,详见仪器操作说明。
3、制冷剂的抽空与充注
通过检查吸、排气压力来确定制冷剂充注情况,如有泄漏则应补充冷媒。冷媒补充或更换制冷循环系统中的零件都要进行气密性检验。充注制冷剂时应按照如下两种情况区别对待。
⑴制冷剂完全泄漏
如果遇到这种情况,必须用高压氮气(15~20公斤气压)或制冷剂对系统进行检漏,如需要进行补焊,必须将系统内气体排尽后才能进行焊接。充注制冷剂前,整个制冷系统必须是干燥的并抽真空。步骤如下:
A)确保机组所有截止阀都开启,在压缩机吸气管和冷凝器出液管截止阀上的注氟嘴处连接抽真空管。
B)用真空泵对系统管路抽真空。
C)达到要求的真空度(133Pa)后,用制冷剂瓶通过冷凝器出液管截止阀上的注氟嘴向制冷系统充注制冷剂,所需制冷剂充注量在铭牌上和主要技术参数表中已写明。
D),制冷剂充注量会受到环境温度的影响,如果未达到要求的充注量,也可以在机组启动状态下,通过压缩机吸气管上的注氟嘴进行充注。
⑵补充制冷剂
在压缩机吸气管上的注氟嘴连接制冷剂充注瓶。
A)使冷冻/冷却水循环,然后启动机组。
B)拧开制冷剂瓶上的阀门,向系统缓慢充入制冷剂,并检查吸、排气压力。
注意事项:在进行检漏和气密性试验时,千万不能向制冷系统充注氧气,乙炔等可燃性、有毒气体,只可使用高压氮气或制冷剂。
4、润滑油的充灌和排出
机组长期运行后,会发生润滑油变质的现象,此时润滑油会由无色变为黄色,或出现絮状沉淀,导致润滑油润滑效果变差,这时就应该排出旧油,注入新油。
A,润滑油的充灌
润滑油的充灌一般有三种形式,可根据现场情况选择:
1)开式加油:首先短接低压控制器,开启机组,关闭吸入阀,将低压侧抽至0.01Mp左右,停止压缩机,关闭排气阀,制冷剂即已抽吸至系统管路内。
然后稍微将制冷剂由吸入截止阀放入,再关闭吸气阀门;最后,把排气截止阀上的螺栓拧松,将排气阀从压缩机稍微移出,然后从从阀门接口处将润滑油倒入压缩机。观察油视镜,将油加至正常油位(约视油镜上部2/3处);
2),闭式加油:首先连接多用压力表,压力表一端接加油阀,一端接一中间软管,中间软管放入润滑油容器内,利用压缩机内的高压排除软管内空气;关闭吸入阀,短接低压控制器。开启压缩机,将转子箱内制冷剂排入冷凝器,压力表显示有一定的真空度,停止压缩机运行。
关闭排气阀,利用多用压力表,将润滑油吸入转子壳体内,观察吸入油位。此时千万不能让软管离开油位,以免外界空气吸入机内。
3)利用油泵或油枪加油:
这是半封闭螺杆压缩机常用的一种加油方式,其程序是:
a.A):将油泵(油枪)连接到压缩机上的油充灌阀(关闭),连接得不要很紧。
开启油泵(推动油枪推杆)直到油充灌阀接口处出现油涌出(泵内空气已排尽),然后将该接口旋紧。此接口处必须能完全隔绝外界空气,以免空气渗入油而进入机内。
B),打开油充灌阀并开动油泵(推动油枪推杆),开始正式充油,直到达到所要求的润滑油量。
C),在充油的全过程中,充油管道的吸口处必须浸放在润滑油中,以防空气渗入机内。当油管还浸入油中时就关闭机上的油充灌阀,然后再拆除管子。
B.润滑油的排出
一般是先排出制冷剂,再排出润滑油。
在常温下,压缩机油罐内的压力是一个恒定的正压。若要放油,可打开位于供油管路及油槽出油处的充油检修阀门,并将油放入一个适当的器皿。
5、系统中空气的排除方法
1)关闭冷凝器出液截止阀,然后启动压缩机,将低压段内制冷剂排入冷凝器;
2)旋松排气截止阀的旁通孔螺塞,顺时针旋转排气截止阀阀杆(旋半圈左右),使阀成三通状态,高压气体就从旁通孔中逸出。
3)用手掌挡着排出的气流,如果感觉像风吹一样,没有凉快感,那么排出的极大部分是空气,继续排气,直到手上有点滴油迹,同时有冷的感觉,此时空气已基本放净。
4)或者在排气截止阀的旁通孔螺塞处接上压力表,如表压力所对应的饱和温度高于冷凝器冷却水的排水温度很多,说明还要继续排空;如高出不多,在2~3度以内,则说明空气一基本排净。
6、油过滤器的更换
(1),按本章第4小节,放油;
(2),拧松油过滤器螺丝,取出油过滤器滤芯;
(3),用干净的油清理滤芯上的污垢,或换新的滤芯;
(4),将清理过的滤芯放入压缩机,拧紧螺丝;
(5),按本章第4小节,加油。
设备保养:
制定合理的保养计划:
a,机组及系统维护的日计划;
巡视整个系统的运行状况,记录机组运行参数;
摸、看、听。
b,机组及系统维护的周计划:
检查机房的卫生状况;
清扫设备;
检查制冷剂是否泄漏和油位;
水质的检查;
分析本周内机组运行参数;
提供检修保养报告 。
C,机组及系统维护的月计划:
确认机组的运行状况,分析确认机组运行参数,必要时进行机组检修;
检查油位和制冷剂泄漏 。
检查压缩机的电气运行参数,如电流、电压。
冷却水塔、补水池的检查与清洗;
确认是否增加冷冻油和制冷剂。
d,一年一次的设备停机检查和预防性保养
停机期间,每年一次进行下列各项检查,以便能正确评价设备的状态,为下一个供冷季节的运行作好准备:
空调系统的全面清洁,各过滤器滤蕊的清洗与更换;
系统管路维修计划的实施;
检查压缩机润滑油系统的下列各项:根据需要更换润滑油、油过滤器和干燥过滤器;检查加热器和恒温器;检查所有其它的润滑油系统部件,包括油过滤器和电磁阀等 。
电气清清洁及检察:检查所有接线端,并拧紧,清洁接触器或建议更时换 。
检查显示数据的精度和设定值 。
检查冷凝器、蒸发器的下列各项:检查水流开关的控制情况,根据运行记录参数分析热交换效果,建议水质处理(冷凝器的物理清洗)、必要时拆卸端盖,更换密封垫。修理脱落的保温层 。
本文来源于互联网,暖通南社整理编辑。




































