一、应用背景
近年来,随着我国国防现代化发展建设的迫切需要以及科学技术的高速发展,航空航天工业正在朝着高科技、高速度的方向发展。航空电缆是关联飞机电气、航电、火控、操纵等各系统为飞机各部件提供动力电源、控制信号和数据信息的神经网络。航空电缆的制造质量对航空飞机的质量有着很重要的影响,电缆检测作为保证航空电缆制造质量的关键环节已受到各航空制造企业的高度重视。利用线束测试仪对飞机航空线缆进行测试,可以大大提高生产自动化程度和测试准确率。
二、系统组成

飞机线缆测试系统主要有上位机、线束测试仪主机、分布式从机、电源总线、通讯总线和转接线缆组成。上位计算机进行程序编辑下载及与下位测试主机通讯;线束测试仪主机进行程序的执行和对分布式从机进行通讯,工作时可单机操作,亦可通过以太网连接至电脑操作;分布式从机通过转接线缆,转接箱与飞机航空线缆连接进行接口的数据采集。
采用分布式从机进行布局,可大大减少转接线缆数量,节省时间且分布式从机可按需求增加配置数量;转接线缆通过标准连接器与分布式从机连接,由此将待测线缆接入到外围的测试系统;控制总线向线束测试仪主机或计算机进行测试产生的数据传输;其他辅助测试设备如复用板卡、测试探针、打印机、通讯线等用于辅助测试。
三、系统测试功能及原理
1、电阻测试
恒压:R=U/(Ux/Ra) 恒流:R=Ux/I
电阻测试基于开尔文电桥的四线隔离法进行测试。当被测电阻阻值较小时,利用这种测试方法可获得非常精确的测试结果。此测试法是利用直接从被测电阻两端读取电压的方法,可以消除测试导线带来的误差累积,尤其是在测长距离和多转接终端电阻阻值时,可补偿线束测试仪内部和线间电阻误差。
Kelvin电桥测试法原理图
两线制测电阻会引入线上电阻:
两线制测电阻
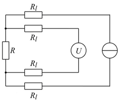
四线制测电阻电压表的电流保持在最低限度,避免了导线的电阻所引起的误差,提高电阻测量精度,如图所示:
四线制测电阻
2、耐压测试
线束测试仪按照行业相关标准对线束进行快速、安全、完整的耐压(抗电强度)测试,并显示出每一次测试的漏电流值。
电压采集为HV=Ux(R1+R2)/R2,漏电电流采集为I=Ux/Rt如图所示:
耐压测试原理图
四、总结
现代航空航天工业快速发展,作为保障整个飞机系统可靠运行的“神经网络”,线束自身品质及连接的正确性和可靠性成为质量安全的检测重点。传统的低压、低电流的手工、半自动测试,已经远远不能满足现代高可靠电子设备生产的需要,飞机整机线缆测试必将取代人工检测成为新的趋势。
和手工检测相比,线束测试仪检测航空线缆有着以下优点:
1、检测速度快,可靠性高。
2、检测的功能比较多,适合不同情况下的线缆检测。
3、连续扫描使检测周期大大缩减,自动化检测、结果记录以及报表导出打印,提高检测效率,检测结果显示也更加直观。而且可实现批量快速检测,效率远远大于手工测试。
4、方便快捷的手动测试功能,自学习功能可以快速检测起始位到终止位所有端口线缆关系,方便快速定位故障类型和位置。








