维修或操作机组前注意:
注意:为防止触电伤亡事故,电源接通时,谨慎进行控制安装、调整或其他操作维修工作。正常情况下,将所有的电源开关置于“断开”位置,并锁定。
警告:维修前,断开所有电源开关,包括远程开关,否则,会发生严重的人身伤害或死亡事故。
注意:首先要确定建立正确的相序,机组启动前,必须进行相序检查,否则可能严重损坏压缩机。
注意:请勿使用未经处理或处理不恰当的水,否则可能引起设备损坏。
注意:机组运行前,必须建立适当的壳管式换热器水流。
机组标识:
机组铭牌:风冷螺杆热泵机组典型机组铭牌如图:

机组铭牌位于控制箱旁边立柱上,机组铭牌提供的信息有:机组型号、机组性能参数、使用电源、制冷剂规格/数量、冷冻油规格/数量、机组尺寸/质量。
压缩机铭牌:压缩机铭牌附在压缩机上,压缩机铭牌提供的信息有:压缩机型号、压缩机排气量、压缩机启动电流、压缩机最大运行电流。
压力容器铭牌:压力容器铭牌附在容器上,压力容器铭牌提供的信息有:容器编号、设计压力、试验压力、设计温度、换热面积。
重要提示:压力容器是特种设备,用户在使用前必须按厂商提供的压力容器质量证明书到当地相关机构办理使用手续。
机组检查:
当机组运抵时,仔细确认机组是否与订单一致并正确装配。
检查所有的外部部件是否有可见的损坏,如有任何明显损坏或材料短缺,请通报运输者,并在运货方的运送收条上做好“机组损坏”的备注,详细说明发现的损坏程度和类型,并通知厂商销售或维修人员。
在未获得销售或维修人员许可之前,请勿着手安装损坏机组。
检查项目:
为避免运输过程中机组损坏的损失,请完成以下机组接受的检查项目:
1.接收机组前,检查机组和包装材料上是否有明显损坏。
2.设备交付后,尽可能快的检查机组是否有内在损坏。内在损坏必须在机组签收后各厂商规定的时间内通报给厂商销售或维修人员。
3.如果发现有内在损坏,停止拆箱。请勿将损坏材料从收货位置移开。如可能请拍下损坏物的照片或视频。收货方必须提供可信的证据证明损坏不是在交付后造成的。
4.通知厂商销售或维修人员安排修理,但是,在运货方代表检查机组损坏部分前,请勿动手修理。
机组的设计、制造标准遵循GB/T18430.1,出厂前,每个机组都经过管道、电路等完整装配、泄漏测试,每个机组都充注适量的冷冻油和冷媒,并通过了完整的运转测试。
安装商需要了解的责任:
在设备的安装过程中,安装商应承担以下责任:
1.随机配件的确认保存。如:减震器、温度传感器、随机资料以及其他一些由工厂订购的安装配件,这些配件在安装时都是必须的,对于启动柜由工厂安装并已安装在机组上的机组,随机配件放在启动柜里,对与启动柜远程安装的机组,随机配件放在随机配件箱里。
2.设备安装的基础必须保证能够承载整个机组的集中重量。
3.把生产商提供或安装商自行采购的减震垫组件放在机组底部(若安装在非底层的楼面上,建议采用弹簧减震器)。
4.要根据厂商相应的安装手册进行安装。南社
5.完成所有的水管路和电路的连接工作。
注:在现场水管连接中必须有相应的支撑,以避免设备造成压力,因此强烈建议,水管的辅设与机组最少保持1m的距离,这是考虑到工地现场的设备安装及必要的管道调整。
6.在壳管式换热器进出水管的上下游管道中指定的位置需安装阀门,这些阀在维修时可以用于切断换热器与外部水管路的连接,同时起平衡和系统调整作用。
7.在壳管式换热器进出水管路上需安装流量开关或与其类似的装置(机组已配置除外),并与它们相应的水泵启动柜互锁,以保证机组在正常水流量时才开始运行。
8.在靠近壳管式换热器水管路进出口处安装带有螺纹接口,以备安装温度计和压力计。
9.为每一个壳管式换热器安装排污或排水管路。
10.在所有水泵和自动调节阀上游指定的地方提供并安装过滤器。
11.提供并安装泄压安全管道,在压力过高时可以通过安全阀排空泄压。
机组储存:
如果机组在安装之前要在工地上保存一段时间的话,请采取以下的预防措施以防止设备损伤:
1.把冷水机组放在通风、干燥、防振且具有坚固地基的安全的地方,如果机组已在工厂里进行了绝热保温,请避免机组受到太阳光的直接照射,也不要移去工厂安置在机组上的任何保护性覆盖物。
2.机组高低压压力必须每月都检查一次,确认制冷系统压力没有变小,如果有冷媒泄漏,请与厂商销售人员或维修员联系,以便合理的处理。
3.冷水机组的水侧不需要特别的关注,但是水管内有可能会有杂物的滋生,因此在机组投入运行之前需要检查和清理水管。
4.如果机组将要保存一年以上的时间,应从保存的第一天算起,每年应对机组进行一次检查,观察其是否有泄漏现象,这项工作也需由有资格的维修人员来完成。
5. 当进行机组安装时,请按照随同机组一起发送的说明手册进行安装,新机组第一次启动过程中的任何一项工作都必须在有资格的维修人员的指导下进行。
注意:为了避免损伤工厂安装的绝热保温,请避免太阳暴晒!
机组搬运和吊装:
注意:切勿使用铲车移动设备,使用铲车移动设备可能导致机组损坏。
1.机组搬运前,确认安装场地配合的适合机组安装的设备及工具,并能承受机组和所有附件的重量。暖通南社
2.所有机组下面的底座上均备有吊环,可以采用底座吊环吊装,吊装时须注意勿伤及设备,钢索接触部位应有保护垫,在吊装时不致于变形而伤及设备。
3.确认机组运送到安装位置的路线,足以让机组和包装安全通过。
吊装时须注意:
机组应小心起吊,缓慢匀速吊装以防止机组不停颤动。
检查及保证起吊钩是紧固着机组,操作人员切勿站在机组下面。机组倾斜角度小于20°,勿过度摇晃和碰撞。
建议采用下图图示的起重装置来移动冷水机组。
建议:起吊横梁。
为避免起吊过程机组的损坏,建议在机组顶端加设起吊横梁,且其不与机组接触如现场无法使用起重装置,建议采用机组底座下加设钢管,来推动或拖动冷水机组。
安装要求:
机组安装位置要求:
运行环境:为了保证电器部件可以正常的工作,不要把风冷冷水热泵机组安装在灰尘大,污物多,过多的腐蚀性烟雾、油烟、蒸汽或其他热源的地方。
通风:
1.风冷式冷热水机组须安装于室外地面或其他通风良好的地方。
2.主机靠墙放置时,要留有足够的通风空间。
a)当机组侧面靠墙安装时,机组侧面距离墙体应大于500mm。如下图所示:
b)机组正面或后面靠墙时,若墙高度比机组地面高出800mm以下时,距离墙体应大于1200mm。如下图所示。
c)当机组正面或后面靠墙安装时,若墙高度比机组地面高出800mm以上时,距离墙体应大于2000mm。如下图所示:
两台或多台主机并排放置时,相互之间的距离必须大于2米,每两台主机之间应如下图所示加装热对流阻断隔板,以防止出风倒吸入进风:
防雨雪:为防止过量雨雪进入机组内部可采用富田空调的遮阳防雪棚装置。
噪音处理:机组应安装在远离声音敏感区域,机组的噪音若超过安装位置的噪音指标要求时,建议加装隔音设备。
注意:机组一般不能安装在地下室或室内场所,特殊情况必须安装于上述位置请预先向空调厂商的技术人员咨询。
安装基础要求:
基座:
风冷冷水机组安装需要一个坚硬的,平整的安装机座或是混凝土地基座为安装平面,确保安装面完全可以承受风冷冷水热泵机组运行时的所有重量(包括所有的管路,满负荷运行时制冷剂,油和水)。
用户选择机组安装位置时,应考虑建筑架构能否承受机组的重量,必要时应追加承重结构设计,此外还要认真处理机组的运转震动问题,采取积极的隔震措施,以保护房屋的架构不受损坏。
为了避免地震、台风或设备长期运行可能产生的位移使接管产生的扭曲和断裂,基座与安装平面、机组与基座之间应采取妥善的固定措施。
排水:为了方便排水,基础周围应设置排水沟并且保证排水通畅。
注:机组在工地上安装和处理的过程中出现任何的设备损坏请立即通知厂商销售人员或维修人员。
警告:承重结构设计的不良或安装地基的不合理设计可能导致机组的损坏和人员的伤害。建议机组基础如下图,具体安装尺寸见各厂商安装操作维护手册中技术规范。
注:
1)基础要保证足够的强度,可以用钢筋混凝土制作,也可以用型钢制作;
2)基础平面水平度偏差不大于0.1%;
3)根据机组运行重量,配置相匹配的减振器。
机组减振:为了减少机组通过安装地基的声音和振动传播,同时也为了保证机组重量在安装表面上的合理分配,在机组底部安装减振垫(橡胶)或弹簧减振器。
减振垫:当一切就绪准备最后的机组安置时,减振垫应放在机组所有的支脚下。
减振垫示意图如下图:
弹簧减振器:当机组不是在底楼安装时,需要考虑用弹簧减振器。
弹簧减振器安装示意图:
注意:当机组管路都已铺设好,且水和制冷剂也都已充注之后,再进行减振器的调整。
1.把减振器安置在风冷冷水机组的底座上,保证每一个减振器与相应的安装孔对中。
2.减振器安放在非水平面的基础上时,为了保证机组的水平安装,用薄垫片或水泥填塞调整安装高度是非常必要的。要确保填塞物与减振器底座下表面全接触,不要有间隙。
3.将减振器用螺栓固定在安装基础上。
水管路安装:
风冷冷水热泵机组上必须安装一个水循环管路。水循环管路系统的设计安装非常重要,须由专业人员执行,任何不合理的管路设计与安装方式都将影响机组功能的发挥,甚至导致严重的损坏。
1.管路设计方式可采用同程式管路设计或异程式管路设计。
2.风冷冷热水热泵机组宜采用闭式水循环系统,基本闭式水循环系统应包括水泵、截止阀、单向阀、膨胀水箱、机组和空调末端设备等。膨胀水箱应安装于机组回水处,其水面应高于水系统配管最高点至少1米以上,膨胀水箱出口不得装设逆止阀以免水管泄漏或爆裂。南社
3.机组的进出水管都贴有进出水标志,连接管道应按标志连接。
4.水管路系统应选配流量和扬程合适的水泵,以确保机组实际供水量与机组要求水量偏差不超过10%。
5.机组的壳管式换热器进出水管的连接应安装软接头。
6.机组的壳管式换热器进出水管管道上安装温度计和压力表接头。
7.应在管道的所有低点布置排水管接头,以便在必要时将管道中的水排走;在所有的高点布置放气接头,以便将管路中的空气排走。
8.外接水管和配件应固定牢固,并合理支撑,防止将重力承受到机组的水管接头上,以免损坏设备。
9.管道的保温非常重要,应严格按照国家规定施工。保温层厚度不够或存在不合理接缝而造成的“冷损”(或“热损”)超过规定值,将直接影响主机功能的发挥,并可能导致凝露现象。造成不良影响和损坏。
10.管路系统的室外部分应加保护,以防雨水及其原因造成的他损坏。
注:现场安装管路时应注意管路的排列并设置管路支撑,以避免机组承受应力。为此,极力推荐管路安装商,应保证管路与机组的最小距离不得小于1m,以保证安装现场给机组留出适当的空间,从而可以对管路联接作任何需要的调整。
水管路典型接管示意图如下图:
注:强烈推荐管路安装商,应保证管路与机组的最小距离不得小于1m,以保证安装现场给机组留出适当的安装空间,从而可以对管路联接作任何需要的调整。
注:为确保壳管式换热器水管路的洁净,应在运行水泵之后但启动冷水机组之前进行检查。如果有局部堵塞存在,应检查出来并清除,以避免由于壳管式换热器的冻结和腐蚀而可能造成的管路损坏。
提示:在进行NPT(美标锥管螺纹,牙型角为60°)形式的水连接时,应加合适的密封或聚四氟乙烯生料带来防止水泄漏。同时,应对所有的水管进行保温处理。
压力表:压力表应安装于管路的直管段,其安装点应距下游弯管、孔等处至少为一个管径的距离。
阀门:
1.水管上应安装现场提供的排气阀和排水阀,排气阀用于将管路中的空气排走。排水阀用于停机或维修时排水。
2进出口水管上应安装截止阀,以便日后维护和保养。
在现场安装时,确定是否需要排气阀,必须注意:当流体温度升高时,截止阀关闭后容器内会产生有潜在危险性的高压。
水过滤器:请在水管回路的换热器、控制阀、水泵等主要设备进口侧安装一个过滤器,以免杂质进入上述设备中,造成设备损坏。
注意:管路使用过滤器!
在每个进入机组壳管式换热器的水管路上都必须安装过滤器,否则会导致管路堵塞进而损坏机组部件。暖通南社
水处理:风冷冷水机组中使用未经处理或者处理不当的水会导致运行效率降低甚至管路损坏,因此,必要时请合格的水处理人员进行水处理。请查询最新规范:GB/T50050-2017《工业循环冷却水处理设计规范》要求。
注意:机组中使用未经处理或者处理不当的水会导致结垢、腐蚀、锈蚀、藻化或粘化。如发生上述情况,应请合格的水处理人员决定合适的水处理方式。一般设备厂商售后保修中不包括设备的腐蚀、锈蚀及磨损。
流量检测装置:采用流量开关或压差开关与PLC控制器进行联锁,以确认壳管式换热器的水流是否建立。
注意:
为保护风冷冷水机组,请将水路水流量开关和水泵接触器与PLC控制器相应的接点连接以达到联锁。具体的电气接线请参考随机附带的电路图。
除非特别说明,机组出厂前都已安装水流量开关,安装位置示意如下图:
对于机组未配置水流量开关需由现场提供安装。请务必遵循厂家的建议选择和安装设备。同时按照以下通用的安装指南:
安装流量开关:
1.双模块及以上机组,其水流量开关必须安装在出水总管上。
2.流量开关应垂直安装在水平管段上,并保证开关两侧的水平直管段至少为3倍的管径长度。
3.为保证流量开关在设计工况下工作,调节开关叶片的长度以补偿管径和安装流量开关的T型接头的高度的影响。
4.确保流量开关上的流动方向箭头与水管路中实际的水流方向相同。
5.排除管路中的空气以避免流量开关“颤动”。
6.调节水流开关,使水流量低于正常值时,水流开关断开。
水流量开关保护:
壳管式换热器水流的建立须由水流量开关来确认,若不安装水流量开关或开关失效,将会导致机组严重损坏!
采用逻辑控制的流量开关可以确保在机组启动前已建立水流,同时确保在流动停止时关闭机组。
如果需要建立水流循环,而水流量开关没有闭合,系统的故障诊断就会产生一个可视化的警报信息。
双模块及以上组合机组换热器出水口温度棒座的安装:
壳管式换热器出水口的温度传感器对机组的正常运行起着重要的作用。机组通过对壳管式换热器出水口的温度感测调节机组制冷量,以此满足客户的供回水温度要求。双拼双模块及以上机型有两组或以上的进出水管,需将其并接后再联入水路中,同时将出水温度传感器安装在出水总管上。
1.侧接水管型:
如下图所示,机组在厂内已按照客户要求进行侧出水的管路安装,在出水口安装温度传感器。施工现场无需再安装温度棒。
2.后接水管型
进出水管由安装商或用户在现场安装,焊接工艺请严格按相关规定要求施工,进出水管在现场安装焊接完成后应如下图图示,同时用胶带密封,感温棒阀座上加盖铜盖。厂商售后维修人员在安装商或客户安装完成壳管式换热器器进出水管总管并焊接好感温棒座后,或在首次开机调试前,进行感温棒的安装及配线。
制冷剂排放管安装:
为了防止吸入冷媒引起的伤害,请勿随处排放冷媒。
所有机组都装有冷媒排放阀(安全阀),所有排放阀的排放管由安装商负责。
一般建议:
安全阀的排放管直接排向室外,排放管只能采用与所用制冷剂兼容的材料。如果管路接头事先已经准备好,而且所用的粘合剂经试验证明与制冷剂兼容,也可以采用聚氯化乙烯(PVC)管[不能使用化合聚氯化乙烯(CPVC)管]。
风冷冷水热泵机组一般情况下都安装有安全阀,下图为安全阀的外观示意图及安装位置。
如果储液器中制冷剂的压力超过安全阀的开启压力时,安全阀就会打开,随着制冷剂从安全阀中溢出,机组系统内压力降低。
在安装安全阀排放管路时,一定要遵循当地的标准和法规。
安装安全阀排放管路的一般建议如下:
1.在安装连接管时,一定要用两把扳手,一把卡住安全阀本体并固定不动,一把卡住连接管旋转锁紧。
2.连接管上必须安装一个活接,便于安全阀每年校正时拆卸。
注意:
安全阀泄漏:
紧固螺纹的扭矩加载在外部管路上而不固定安全阀本体的话,会造成安全阀下部螺纹松动泄漏!
安全阀校正:
安全阀必须每年校正一次,否则会因安全阀的整定压力偏差,造成系统安全事故!
电气控制:
机组上安装的启动控制柜一般是风冷冷水热泵机组标准配置。
选择机组上安装的启动控制柜可以大大减小现场接线的工作量。但是,安装商还需要完成下面三种电气线路的边接工作:
1.将电源线与启动控制柜连接;
2.其他控制选项的接线;
3.其他现场提供的控制设备等。
电压危险!
在机组运行前断开所有的电源包括远处的断路器。按照正确的分断/合闸步骤,确保不会无意中开启电源,在机组运行前不切断电源会导致伤亡。
当通电后进行测量、调试或其他相关工作时应该非常谨慎操作。不慎可能造成严重伤亡事故。
所有现场安装布线都必须严格按照国家电气规范以及用户所在国家和地区规范。
启动控制柜:所有的控制元件和马达启动设备都由工厂接线并进行功能测试,启动控制柜包括多个压缩机的控制和相关风扇控制的动力部分及PCO模块的控制。
动力部分包括每个压缩机的星三角转换启动控制和相关的风扇启停控制。
控制部分包括I/O模块和显示控制请。
注意:
为了防止造成启动柜部件的损坏,请清除启动柜内的杂物。否则会引起短路,造成起动柜部件的损坏。
电源线的连接:
所有的动力电源进线必须有资质项目工程师根据国家电气标准来选型。
供电线路穿管后通过启动柜下部或侧面开口接入空气开关接线端子。
导线不能与其它组件、结构部件或机组接触,所有的导线必须有足够的长度,以便移动压缩机和机组。
注意:只能采用铜导线,否则会造成腐蚀或过热,引起机组损坏。
注意:为了避免控制故障,不要将超过30V的导线与低压(<30V)导线放在一个导线管内。
电路断路器和熔断器:按照国家电气规范或者当地规范选择合适的电路断路器或熔断器。
启动控制柜进线:
启动控制柜进线电气安装示意如图:
注意:
1.机组的电源进线采用三相五线制,为确保安全,必须分别连接零线和接地线。
2.安装商或用户在启动控制柜电源进线前端必须配置断路器,整定值可根据机组相关电气参数确定。
3.安装商或用户所配机组进线需选用铜芯线,其规格及线径须满足相应的电气规范要求。
4.机组的电气参数可从产品设备样本、随机资料中获得,具体以双方签订合约规定为准。
请清除启动柜内的杂物。否则会引起短路,造成启动柜部件的损坏!
启动柜电气规范:
额定电压:380VAC;
额定频率:50/60Hz;
工作范围:不超过额定电压的±10%;相间电压不平衡度不大于5%。
每台压缩机配一个启动柜,每个启动柜需要一组独立电源进线。
控制柜电源
下述即为控制柜中的规范要求:
额定电压:220VAC 50Hz
工作范围:198~242VAC
水泵互锁回路:壳管式换热器水泵接触器辅助接点应接到PLC连锁接点,导线为1.5mm2铜导线,利用水泵接触器通断信号反馈,可控制机组在蒸发器断水情况下停机。
启动控制柜内部安装的元件:启动控制柜内部安装的元部件在后面的电路图中按照她们标识号的大小依次列出。控制柜内元部件安装示意如下图:
各品牌各有不同,仅供参考。
运行原理:
风冷螺杆式冷水热泵机组概述:是一种以空气为冷却介质(夏季)及热源(冬季)、以水为载冷剂,采用蒸汽压缩式制冷循环的中央空调机组。机组具有冷暖两用的特点,它可与风机盘管、空调箱、空气处理机一起组成集中或半集中式中央空调系统,具有布置灵活、控制方式多样等特点。
外观示意图
基本部件:
压缩机:采用半封闭螺杆压缩机
调节方式:滑阀调节,可通过加载和卸载阀方便地调节压缩机的输出能力。
调节范围:15~100%。
电机启动方式:星形/三角形启动方式,自动低负载启动,降低启动电流。
翅片式换热器:
形式:铜管+铝翅片,
换热铜管:内螺纹紫铜管,增大换热面积,提高换热效率。
散热片:波纹型、发兰处理的亲水散热铝片。有效减少制热运行时的冷凝水水膜厚度,提高盘管换热效率。
壳管式换热器:
1.机组采用壳管式热交换器,其中管程走冷媒,壳程走冷(热)水;
2.冷媒侧设计压力为24kgf/cm2(试验压力为27.6 kgf/cm2);
3.水侧设计工作压力10 kgf/cm2(试验压力为11.2 kgf/cm2)。
电子膨胀阀:电子膨胀阀控制由电子膨胀阀阀体、压力传感器、温度传感器、控制器组成。
工作时,压力传感器将蒸发器出口压力P1、温度传感器将压缩机吸气过热度传给控制器,控制器将信号处理后,随后输出指令作用于电子膨胀主阀的步进电机,将阀开到需要的位置。以保持蒸发器需要的供液量。电子膨胀阀的步进电机是根据蒸发器出口压力P1变化、压缩机吸气过热度变化实时输出变化的动力,这个实时输出变化的动力能及时克服各种工况和各种负荷情况下主膨胀阀变化的弹簧力,使阀的开度满足蒸发器供液量的需求,进而蒸发器的供液量能实时与蒸发负荷相匹配,即电子膨胀阀可通过控制器人为设定,有效的控制过热度。
制冷循环:
机组制冷运行时,压缩机吸入吸入气液分离器中的低压制冷剂气体,经压缩机增压后排出高压气体,
所有剩下的液态制冷剂通过另一个节流板节流,中压液态冷媒经节流后,减压变为低压液态冷媒,均匀进入蒸发器,液体制冷剂沿蒸发器管长方向,通过分配器的小孔喷出(即在壳体的整个长度上),均匀地分配到每根蒸发器管。液态制冷剂从蒸发器管内循环水中充分吸热气化。在此,制冷剂液体从换热铜管内吸收热量,而铜管内的水被冷却,冷却后的水通过水泵,送到需要的地方,达到使用要求。经吸热气化后低压气体从蒸发器出来,回到压缩机。至此,完成一个制冷循环。
经过四通换向阀至翅片式换热器,在翅片式换热器中经风机使空气循环带走热量,冷却为高压液体,然后通过单向阀,流人高压储液器,液体又通过储液器底部经干燥过滤器后,去除水分和杂质,流到电子膨胀阀,高压液体经膨胀阀节流后,减压膨胀变为低压的制冷剂气液混合物,均匀进入壳管式换热器,在此,制冷剂气液混合体在换热铜管内吸收热量,而铜管外的水被冷却,冷却后的水通过水泵,送到需要的地方,达到使用要求。低压气体从壳管式换热器出来,经四通换向阀后到气液分离器中,经气液分离器流到压缩机吸气口,并保证回到压缩机的流体为过热气体,至此完成一个制冷循环。
制热循环:
机组制热运行时,压缩机吸人气液分离器中的低压制冷剂气体,经压缩机增压后排出高压气体,经过四通换向阀流至壳管式换热器,在壳管式换热器中,铜管外的水吸取铜管内高温、高压制冷剂气体中热量而被加热,热水通过水泵,送到需要的地方,达到使用要求,放热后的高温、高压制冷剂气体冷却为高压液体,高压液体通过单向阀,流人高压储液器,液体从储液器底部经干燥过滤器后,去除水分和杂质,流至电子膨胀阀,高压液体经电子膨胀阀节流后,减压膨胀变为低压的制冷剂气液混合物,均匀进入翅片式换热器,在此,制冷剂气液混合体在换热铜管内吸热汽化,而铜管外风机使空气循环,提供热源,低压气体从翅片式换热器汽化后,经四通换向阀后到气液分离器中,经气液分离器流至压缩机吸气口,并保证回到压缩机的流体全部为气体,至此完成一个制热循环。
压缩机润滑系统:
在压缩机运行时,在油箱中的油处于排气压力之下,油不断地流向低压区,油从箱中流出后,经过油冷却器,分流到压缩机加载阀入油口及高低压轴承入油口,进入加卸载活塞缸和轴承中的冷冻油,回到压缩机低压侧,最后通过压缩机转子压缩后排出,通过油分离器回到油箱。
警告:表面温度可能超过65.5℃;在机组的某些区域操作时请多加小心,如操作不慎可能会导致人身伤亡事故。
为确保正常的润滑,防止制冷剂在油箱中凝结,油箱中放入了一个200W的加热器,在机组停机时对油进行加热。当机组起动时,油加热器的电源就被切断。机组不运行时,加热器通电,使油的温度保持在40~60℃。
电机冷却系统:使用液喷系统是防止压缩机过热,从系统液管中引出以管路进入压缩机预设液喷口,在这管路中安装电磁阀和膨胀阀,当排气温度过高时电磁阀打开,液态制冷流经膨胀阀,节流后进入压缩机,吸收电机的热量后汽化,确保压缩机安全、稳定地运行。
冷暖型系统流程图
单冷型系统流程图
机组保护和控制:
电流过载保护:电流过高保护用以避免运行过程中电机电流过载损坏压缩机电机。压缩机电机电流连续被监测并受一个限制功能的控制,以防止出现过电流而造成损坏压缩机电机的情况。
电流限制控制逻辑通过将压缩机的电流限制在电流限制设定值(一般设定为额定值的1.2倍,这个值可以调节)。
缺相保护:缺相保护可以保护制冷机不会因为缺相而损坏。如果电机三个相电流中的任何一个没有了,这个控制就会停下冷水机组。停机时在触摸屏上会出现一个故障警报信息。
电流过载保护也会在只有单相的工况下保护电机。缺相保护是另一种保护,它能够产生一个更准确描述故障的警报信息。
反转保护:这个功能防止压缩机反转。当检测到不正确电源相位后,会产生一个故障警报信息。
出水温度过低保护:
出水温度过低停机保护是一种保护机组不受换热器中水结冰而遭破坏的安全控制方法。停机设定由厂家设置,可以通过控制软件来修改。
出水温度停机保护标准机组设定值为 4℃,出水温度低于4℃时警报停机,显示器会出现一个故障警报信息。
制冷剂低温停机保护:
壳管式器制冷剂低温停机保护是用来防止换热器中的水冻结。当达到换热器制冷剂低温停机设定4℃时警报停机,触显示器会出现一个故障警报信息。
标准机组制冷剂低温停机设定值为4℃,。这个值可以通过维修工具修改。
排气温度过高保护:
排气温度过高保护是用来防止冷凝温度过高导致机组系统遭破坏的安全控制方法,可以通过维修工具来修改。排气温度过高停机保护设定值为95℃,当排气温度高于95℃时,持续时间超过3秒(延时时间可通过控制软件修改)后警报停机,显示器会出现一个故障警报信息。
重启延时:
这个功能可以提供电机频繁启动保护,执行重启延时功能取决于设定值,默认值为10分钟,机组停机后再次启动,间隔时间不满10分钟机组不会启动。这个设定可以在控制软件中修改。
高压保护:
高压停机保护是一种保护机组不受机组系统压力过高而遭破坏的安全控制方法,停机设定由厂家设置,可以通过维修工具来修改。
高压停机保护标准机组设定值:R22冷媒为25kgf/cm2;当机组系统高压压力超过设定值后警报停机,显示器会出现一个故障警报信息低压保护。
低压停机保护是一种保护机组不受机组系统压力过低而遭破坏的安全控制方法,停机设定由厂家设置,可以通过维修工具来修改。低压停机保护标准机组设定值:R22冷媒为5.0kgf/cm2;压差1.0kgf/cm2,当机组系统低压压力低于4.0后警报停机,触摸屏会出现一个故障警报信息。
油位保护:
油位停机保护是一种保护压缩机不受失油而遭损坏的安全控制方法,停机设定由厂家设置,可以通过维修工具来修改。
油位停机保护延时设定值为100秒,当油箱内油位低于油位开关控制点,持续时间超过100秒(延时时间可通过控制软件修改)后警报停机,触摸屏会出现一个故障警报信息。
操作界面:
略(请根据各不同品牌产品手册要求操作)。
机组启动:
机组首次开机调试:
开机调试的条件:
1.开机调试工作通常由空调厂商的专业工程师承担。以避免责任倒究。
2.确认设备已经安装并且固定完毕。
3.确认水管路已经安装完毕并经过压力测试
4.确认电源已经连接完毕。
开机调试前准备:
机组安装完毕后,在开机调试之前必须遵循以下操作程序:
1.检查安装工程,如通风条件、安装基础、减震器和电源进线等,确认符合要求
2.检查机组是否有损坏,确保符合开机要求。
1)冷媒压力是否正常,系统是否有泄漏,如有泄漏需找到漏点并修复。
2)检查翅片式换热器是否完好、清洁?如有较多灰尘,应先清洗。
3)机组内部所有零件完整无缺失,并固定牢固。
3.检查机组所有的接线,确保已正确,并牢固连接。
1)机组接地良好;
2)压缩机等电器设备的绝缘符合要求(要求:500VDC,20MΩ)。
注意:检查压缩机的供电线路是否牢固连接(包括断路器、接触器、压缩机接线盒端子等),接线太松可能引起接线处过热及压缩机电压的不足。
4.检查机组的供电线路上是否装有断路器,机组的供电电源相位正确,电压波动值不能超过2%。
5.水管路系统调试,此项工作由水系统工程安装承包者负责完成,开机维修人员参考。
1)按照设计要求设置所有阀门的开闭状态。
2)打开排气阀,由膨胀水箱或其他补水设备的加水口加水至满溢为止,其间应逐个关闭手动排气阀(由低到高)。
注意:请勿使用未经处理或者处理不当的水,否则将导致机组损坏。
3)闭合水泵回路断路器,给机组水泵供电,单独运转水泵,检查水泵的转向,若反向,应调换电源相序;确定水泵运转声音、运转电流正常。
4)启动水泵后,使冷媒水开始循环,检查所有管路是否泄漏,水过滤器是否堵塞,必要时进行修补或清理。
5)打开排气阀(如为自动排气阀则不必手动打开),排除水管路系统内部的残留空气(需要排气的各局部高点的空气是否都已经排净?对于庞大的水系统,各个支管都应仔细检查,确定各个手动排气阀排除的均为连续稳定的水流,自动排气阀不再有空气排出)。
6)观察水泵进出压力差及水压的稳定性,若压力差过大,检查管道阀门是否打开,水过滤器是否有杂质堵塞。若水压不稳定,则应继续排放空气,直至水压稳定。
7)当冷媒水管路系统内循环时,调整水流量,并检查通过壳管式换热器的水压降是否与订单要求一致。
8)内置水泵的机组,或水泵的启停由主机控制的,单独运转水泵应按照《操作界面》中说明操作。
机组供电:在机组主电路的空气开关上测量每一个脚的供电电压,如果某个脚的供电电压不再规定的范围内,应通知供电方予以修正,在此之前不能开机。
注意:
电压不足将导致控制部件发生错误,并缩短压缩机电机及接触器的寿命。
机组电压不平衡:
过大的电压不平衡可导致电机过热而最终烧毁,允许的最大电压不平衡为5%,其计算方法如下:不平衡率(%)=(Vx-Vave)×100/ Vave
Vave=(V1+V2+V3)/3
Vx=同Vave差别最大的相电压。
机组开机程序:
如果上述开机前准备工作都已经完成,机组就可以按以下步骤启动调试:
1.机油加热
1)再次检查电气线路,确认完好后,合上空气开关,接通电源,把主机操作板上的开关置于手动位置上。
2)根据需要调整显示器控制菜单中的各项设定值。
3)电脑控制器通电后,机组自动进入机油加热时间。夏季至少需要4小时,冬季至少需要8小时。
注意:机油加热时间达到要求后,机组才能启动,以避免开机时液态制冷剂造成压缩机损坏。
2开机启动
1)打开每一个回路的压缩机高低压阀门、高压液管角阀、油路阀门及水管路上的阀门。
2)再次检查高低压压力是否正常。
3)正确设定冷暖状态。
4)闭合冷媒水水泵空气开关,给水泵供电,并开始冷媒水循环在制冷剂管路、油管路和水管路阀门未开启前,请勿运行机组以免造成压缩机损坏。
5)按照《操作界面》中按键说明启动机组,机组将开机,压缩机将根据冷水出水温度的变化来加载和卸载。
3.观察主机的运转状况
1)机组启动后,注意螺杆压缩机的运转方向和散热风扇运转方向是否正确。(主机内部已经设置有逆转保护器)
2)注意其运转状态是否良好,如有异常,应立即停机检查。
3)仔细观察压缩机电流是否在正常范围内,各相电流是否平衡。
4)如出现故障保护而停机,应仔细检查,查明原因,排除故障之后,方可重新开机。
4.末端设备的启动,注意水系统的温度变化,供冷时冷水温度至20℃以下,供暖时热水温度至30℃方可启动末端设备。
注意:当冷冻水出水温度达到设定值后,控制器发出卸载指令,调整压缩机卸载阀,如果水温继续下降,控制器发出停机指令。
5.水系统流量的调整
1)水管路系统装有流量计的,可根据实际的施工图和设计的流量分配,调整水系统的调节阀。
2)没有安装流量计的,可按各支管末端设备的进出口水温差等于设计值,即机组进出口水温差等于设计值的原则,反复分析调整。
6.参数测量并系统调整
机组运行30分钟以上,达到了稳定状态后,进行运行参数的测量记录,并根据测量数据分析判断系统是正常,进而调整系统。
1)测量冷媒系统各点温度和压力,并与显示器显示的温度和压力比较修正。
2)测量机组的电压、电流。
3) 测量系统的过冷度和过热度。
注意:如果运行压力低,过冷度也低,可判断制冷剂不足,应使用气态制冷剂充注相关回路。在机组运行情况下,通过连接充注管路和吸气管维修阀,添加制冷剂直至正常运行状。
注意:只能采用机组铭牌上指定的制冷剂以避免压缩机损坏,确保系统造成运行。
如果运行状态显示冷媒充注过量,应从液态管路上回收部分制冷剂,回收时速度要慢,将油损失降到最小,严禁将制冷剂直接排到大气中。
警告:避免制冷剂和皮肤直接接触,否则可能发生冻伤。
系统过热度:在满负载下,每一回路的正常过热度大约在4~5℃,当机组负载降低时,过热度可能会在设定点出波动。
系统过冷度:每一回路的正常过冷度大约在3~6℃,如果某一循环的过冷度与上述值不符时,应检查系统。
机组日常开机:
1.确认机组无警报
2.启动水泵
3.按显示控制器上“启动”按键3秒钟以上
4.机组启动10分钟以后启动末端
注意!
1.机组的启动请参照《操作界面》中按键说明的方法操作。
2.机组的操作维护应指定专人执行。
3.机组停电后,机组控制器将自动重新计算机油加热时间。
4.可以按时间设定自动开停机。
5.应避免频繁开停。
注意:
1.第一次起动或停机断电超过24小时,开机前油箱的油加热器必须加热4~8小时。
2.在夏天、冬天或较长时间停机后重新开机,不要先启动各末端负荷,在夏天出水温低于20℃或冬天出水温度高于30℃后再启动各末端负荷。
3.当冷水机组出水温度达到设定值后,控制器发出卸载指令,调整压缩机卸载阀,如果水温继续下降或上升,控制器发出停机指令。
季节性开机:
1.关闭所有的排水阀,重新安装壳管式换热器器中的放水塞。
2.根据各设备生产商提供的起动和维护说明对备用设备进行检查。
3.按照设计要求设置所有阀门的开闭状态。
4.重新对水管回路系统注水,并排空管路系统中的空气,排空完成后逐个关闭手动排气阀(由低到高)。
5.检查机组是否有损坏,确保符合开机要求。
1)冷媒压力是否正常,系统是否有泄漏,如有泄漏需找到漏点并修复。
2)检查翅片式换热器是否完好、清洁?如有较多灰尘,应先清洗。
3)机组内部所有零件完整无缺失,并固定牢固。
6.检查机组所有的接线,确保已正确,并牢固连接。
1)机组接地良好。
2)压缩机等电器设备的绝缘符合要求(要求:500VDC,20MΩ)
注意:
检查压缩机的供电线路是否牢固连接(包括断路器、接触器、压缩机接线盒端子等),接线太松可能引起接线处过热及压缩机电压的不足。
7.确认制冷剂管路、油路及压缩机排气和吸气阀都已打开。
8.闭合所有切断开关,为压缩机油加热器供电。
注意:机组开机前机油加热器必须连续加热时4~8小时,以避免开机时液态制冷剂造成压缩机损坏。
9.闭合水泵回路断路器,给机组水泵启动柜供电。
10.启动水泵使水开始循环,并检查管道是否有泄漏,必要时进行修补。
11.根据机组日常开机部分所列的说明操作。
机组启动或运转后注意:
1.开机后观察机组电流是否正常。
2.各压缩机马达是否运转正常。
3.机器运转是否有特别响声以及不正常声音。
4.循环水泵送水是否良好,水压力是否正常。
5.机组压力表指数是否正常。
6.检视压缩机油视窗之冷冻油是否正常。
7.高低压开关或高低压差开关跳脱时,应查明原因并经修复后再开机。
8. 5E控制器跳脱时,须注意电压偏高或偏低。
升降之问题:
发现下列现象时,应立即停机,将电源切断,检查修复。
1.各项保护开关无法切断电源时。
2.压缩机有不正常撞击声。
3.供电电压超过额定电压10%、压缩机电流超过正常负荷15%时。
4.高压表及低压表指数超过高低压自动开关所设定的压力而不自动停机。
5.机器启动困难或不能启动。
部件正在转动时:在通电时进行测量、调节或是维修的工作需要特别的小心。如操作不慎,会导致人员伤亡。
机组关机:
机组关机程序:
日常关机:
1.按显示控制器上“停止”按钮3秒钟以上。
2.压缩机停机3分钟后,停止水泵。
3.关闭末端负荷。
日常关机流程图
季节性机组关机:
按日常关机步骤完成后,继续完成以下程序:
1.断开水泵的断路开关,将开关锁定在断开位置。
2.关闭所有的水管路阀门,排除壳管式换热器内的水。
3.断开机组的主断路开关,并将之锁定在断开位置。
4.至少3个月检查一次机组的冷媒系统压力,确定制冷剂没有泄漏。
6.当机组冬季不使用时,本手册周期性维护部分“年度维护”中所述的维护步骤必须由专业的维修人员来操作。
一般故障分析与处理:
机组保养:
定期维护:这部分将介绍机组的基本保养方法,并且向用户推荐进行维修保养的周期。对冷水机组进行定期保养是非常重要的,它关系到机组能否以最佳性能和效率运行。
重要:机组必须由专人负责开机、关机、维护以及保养。
记录表格:机组保养中一个很重要的内容就是完成定期记录。当操作人员准确地记录下各种数据后,操作人员就可以通过机组运行状况的变化趋势,可以预料并阻止机组故障的发生。
例如,如果操作人员发现冷凝压力在一个月内有不断增加的趋势,则需对冷水机组进行系统地检查,找出可能的引起这一情况的原因(比如换热器结垢等)
日常维护和检修:
1.记录风冷冷水机组运行的高低压压力、进出水温、进风温度及机组运行电流、电压,并将所读的数值和机组正常运行参数进行对比。
2.机组外观清洁
重要:强力推荐每日记录冷水机组的运行日志。
每周维护:
1.完成所有的日常保养和检查工作,并且完成日志
2.检查整个机组是否有异常状况,检查翅片式换热器是否脏堵,如果脏了,应进行清洗。
3.测量系统的过冷度和过热度,并记录。
每月维护:
1.完成所有的每周保养工作。详见前一部分。
2.检查各装置螺丝有否松动。
3.检查电气线路是否接触良好,是否有发热、老化现象。
4.检查机组的控制开关、保护开关及电脑设定值是否有改动的现象。
5.检查各管路接头有无渗漏。
6.检查冷媒系统的压力是否正常。(机组运转时检查)
7.检查膨胀水箱及水塔补给水是否正常。
每季度维护:
1.完成所有的每月保养工作。详见前一部分。
2.清洗水管系统所有的过滤器
3.检查干燥过虑器进出口的压力或温度(如两侧有压差有0.6kgf/cm2以上或温差超过2℃时表示有堵塞现象,须更换干燥过虑器芯、清洗过滤网)。
4.检查压缩机油视镜油面是否正常,冷冻油是否有变色现象视情况更换冷冻油。
每半年维护:
1.完成所有的每季度保养工作。详见前一部分。
2.检查清理翅片式换热器污垢(视机组在正常工况运行时高压压力而定)。
停机季节的维护:
1.在春秋季节或遇到较长假期,冷水机组不需要启动时,应切断主机电源;在冬季长时间不用时,应将机组水系统内的水彻底排放干净,以防止冬季低气温(0℃以下)时水冻结,损坏设备。
2.清洗压缩机油过滤器和干燥过虑器过滤网(视当月保养情况而定)。
年度维护:
1.完成每周、月、季的保养程序。
2.请有资质售后维修工程师检查每个控制的设定值,检查压缩机及接触器状况,需要时应及时更换。
3.检查所有的接管部件是否泄漏或损坏,水管里任何阻碍水流动的杂物应及时清理。
4.清理受腐蚀部位并对其重新喷漆。
5.清洗翅片式换热器。
6.检查压缩机冷冻油清洁度或进行油品分析,视情况更换冷冻油
7.用0℃冰水确认温度传感器是否正确,如果温度的读数与标准值误差超出0.5℃,就要更换该传感器。
翅片式换热器的清洗:
每年至少清理一次翅片式换热器,如果机组所处的环境较脏,应勤加清洗。以便保证机组运行时的支持效率。清洗时应遵循清洁剂厂家的指导,以避免对翅片式换热器造成损坏。
注意:
1.清洗翅片式换热器时应采用软刷或喷射器。
2.如果清洗剂的PH值超过8.5,应添加防腐剂。
电控箱的维护:
1.电控箱周围环境的湿度不要大于90%,要注意防尘保护。
2.严禁油性液体或具有腐蚀性液体溅在触摸屏的表面。
3.严禁非专业人员对线路和电气元件进行拆卸,否则后果自负。
4.电控箱内严禁放置其它杂物。
5.一年至少对电控箱进行一次除尘及电气线路检查工作。
油路的维护:
压缩机润滑油的更换:
为了确保机组压缩机正常运行,建议用户制订一个年度油质分析计划,确定冷冻油更换周期,只有当油分析结果证明需要更换时才将油更换。
通过油质分析可以减少机组运行寿命内总的耗油量和制冷剂的泄漏量。只有对制冷剂和油的物性熟悉,而且对螺杆式冷水机组有维修经验的专业实验室才可以对油质进行分析。
油质分析可以对机组的运行性能提供很有价值的信息,从而可以减少维护费用,并且提高机组的运行寿命。油质分析时,在油路的角阀连接一根冷媒带,就可以采集油样。
如无油质分析条件,建议用户按运行时间来确定冷冻油更换周期,首次开机运行1500小时后更换冷冻油,运行10000小时后再次更换冷冻油,以后每运行10000小时,更换冷冻油一次,注意:
1.用户视情况自行决定是否更换冷冻油,更换冷冻油费用用户承担。
2.螺杆式风冷冷水机组使用的冷冻油牌号和充满一次需加的量可参考机组铭牌标。
油过滤器清洗:
建议首次开机运行72小时后清洗油过滤器,运行500小时后再次清洗油过滤器,以后每运行3000小时(或6个月)清洗一次。
下列情况下必须清洗油过滤器:(1)每年年度保养时(2)每次换油时;(3)机组运转时油压不稳定时。
注:
1.清洗周期用户可根据实际情况决定延长或缩短
2.多次清洗后滤网过滤效果下降明显或油过滤器有损伤时必须更换
油过滤器清洗或更换作业步骤:
1.断开压缩机的电源。
2.关闭压缩机吸排气关断阀。
3.选择油过滤器盖板上的角阀,用扳手把阀杆逆时针旋转,直至角阀全开状态。
4.打开角阀帽,连接一根冷媒带,把冷媒带弯曲扎紧。
5.用扳手把角阀关闭。
6.松开冷媒带,把压缩机油箱中冷冻油通过冷媒带放入回收桶中
7.用扳手打开油过滤器盖板,更换或清洗过滤器。
8.按拆卸油过滤器相反的顺序安装过滤器。
9.油过滤器盖板安装好后,稍微打开一点压缩机吸气关断阀(视气体排出情况),排空油箱中空气。
10.关闭压缩机吸气关断阀,用油枪或油泵,通过油过滤器盖板上角阀,充入回收冷冻油,并视情况补充适量冷冻油。
11.卸掉冷媒带,锁紧角阀阀帽。
12.打开压缩机高低压吸排气关断阀。
通常,对制冷系统的一些维修操作会使操作人员或维修人员暴露在液态或气态制冷剂环境中,因此要求工作人员严格按照材料安全操作规范对制冷剂容器进行操作。否则会因为吸入制冷剂或者皮肤长期暴露在制冷剂环境中而出现人员伤亡。
螺杆式风冷冷水机组制冷剂的充注过程如下:
1.使用与制冷剂兼容的软管或者铜管,而且管子应该带有自封闭的接头或切断阀。
2.使用下列的方法充灌制冷剂:
1)利用现存压差。使用一根软管或者铜管,把机组高压储液器充灌接口与制冷剂钢瓶接口连接,打开两端阀门后因压差关系,制冷剂自然流入机组。(此种方法压力回升到与制冷剂钢瓶内压力接近时无法充灌)
2)使用液态制冷剂回收再利用装置。机组充灌接口与制冷剂回收再利用装置出口相连,同时制冷剂回收再利用装置进口与制冷剂钢瓶接口连接,打开所有阀门,启动回收装置。
3)利用机组运行时压差:机组运行时使用一根软管或者铜管,把机组低压储液器充灌接口与制冷剂钢瓶接口连接,打开两端阀门后因压差关系,制冷剂自然流入机组(此种方法需控制充灌速度,防止压缩机液压缩)。
3.称量需要充注的制冷剂,称取恰当重量的制冷剂。或以制冷剂瓶数计量。
根据机组的实际运转情况,联系专业的维修机构并且决定何时对机组进行全面的检测以检查压缩机和机组内部部件的状况。
如果用户的机组享有的延长保修的权利,延长保修条款上会要求用户严格按照本手册定期维护部分所列出的保养内容,否则不作延长保修。条款还会要求冷水机组必须每年或5000工作小时(以先到者为准)由厂商授权的维修机构进行检查。该检查至少包括,查阅年度检测表,运行日志,泄漏测试,还有,就是对冷水机组进行一次全面检查。最后要求用户按照检查进行相应的维护,而且费用由用户承担。
清洗壳管式换热器:
由于水系统循环是典型的闭式循环,它的内部不容易积累大量的水垢或污泥。通常,每三年进行一次清洗就足够了。但是,对于开式系统,建议定期检查和清洗。
如果在日常维护中发现有结垢或污泥,应及时进行反向清洗去除这些杂质。如果该方法未能奏效,应采用化学方法进行清洗。
注意:不能采用酸性的清洗剂以免损坏钢管及内部铜管等部件。
标准的化学清洗装置如下图:
对装置进行化学清洗时请小心谨慎!否则会损坏装置。
重要:
在循环系统中使用的所有化学物质,溶液的浓度,清洗时间的长短以及所有的安全预防措施都需要得到机组生产商和执行清洗工作的公司的认可。
控制的设定和调整
每年都应该对时间延迟以及安全控制高低压保护设置进行检查。对控制器进行校准和检查时,请联系厂商授权的专业维修机构。
单模块(单压缩机)及模块组合电路图:
电路图,I/O板接线图(略)
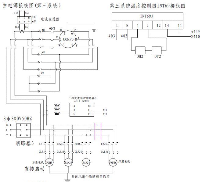
主电源接线图:
配置部件接线图(第一系统):
本文来源于互联网,取材于富田空调相关课件。暖通南社整理编辑。








































