二极管的一个重要应用是在整流器电路的设计中。简单地说,该电路将交流电(AC)转换为直流电(DC)。这是交流转直流电源设计中必不可少的电路。
整流电路
为了给任何电路供电,都需要一个电源;如果您想通过交流电源为电子设备供电,则需要整流器。
图 1.1 说明了直流电源的示意图。有一条 120 V (rms)、60 Hz 的交流线路为电源供电,该电源将电压V O传送到电子电路(负载块)。V O必须是稳定的直流电压,以确保电子电路正常工作。

图 1.1
首先我们看到了变压器。该变压器是一种降压变压器,可将高交流输入电压“降压”为较低的交流电压以输入整流器中。该变压器由两个独立的线圈绕组(初级和次级绕组)组成,它们具有不同的匝数,N 1用于初级,N 2用于次级。因此,AC电压v小号-可被写为120(N 2 / N 1)V(有效值)并且在次级绕组的两个端子之间测量的。
接下来,二极管整流器将交流电压v S转换为直流电压。该电压将表现出很大的变化,因此不适用于电子电路。过滤器用于消除这些变化。
然而,即使在滤波之后,电压也会表现出称为纹波的微小变化。因此,使用稳压器来大大降低纹波并建立可靠的直流电源轨。
半波整流电路
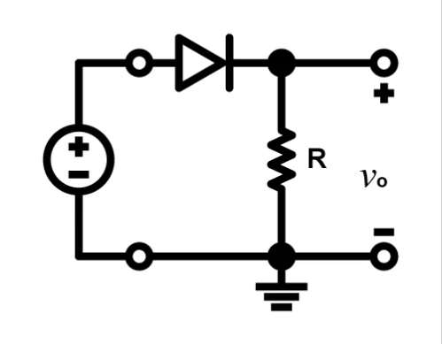
半波整流器消除了输入正弦波的负部分。在图 1.2 (A) 中,说明了半波整流器。在本文中,我们将使用二极管的恒压降 (CVD) 模型,因为它很简单。从这个模型中,我们得到了
v0=0v0=0 当 vS
公式 1.1 (A)
v0=vS−VDv0=vS−VD 当 vS geqVDvS geqVD
公式 1.1 (B)
其中V D ≈ 0.7 V。上述等式导致传输特性如图 1.2 (B) 所示。图 1.2 (C) 说明了当输入电压v S 为正弦波时提供的电压输出。

图 1.2 (A) 半波整流器

图 1.2 (B) 整流电路的传递特性

图 1.2 (C) 输入输出波形
在确定在整流电路中使用哪些二极管时,需要考虑两件事:1) 二极管处理电流的能力,必须根据二极管预期传导的最大电流进行选择,以及 2 ) 峰值反向电压 (PIV),即二极管将承受的最高反向电压;二极管必须能够承受 PIV。看图1.2(A),我们可以观察到,当电压 v S 为负时,二极管将被截止,电压 v O为零,导致二极管两端的反向电压为v S . 因此,PIV 是v S的峰值:
PIV = V S
公式 1.2
其中V S(带有大写 V)表示输入正弦波的峰值幅度。
值得注意的一件事是,当输入正弦波的峰值幅度不明显高于V D时,电路显然不会有效运行。例如,峰值幅度为 200 mV 的正弦输入根本不会被整流,因为二极管永远不会“开启”,即它永远不会传导大量电流。
全波整流电路
与半波整流器不同,全波整流器可以利用交流输入电压的负部分和正部分。为了实现单极性输出,必须反转正弦波形的负部分。这可以通过使用图 1.3 (A) 所示的电路来实现。

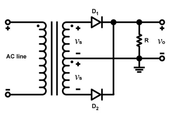
图 1.3 (A) 全波整流电路;变压器有一个中心抽头的次级绕组
在这种配置中,降压变压器的次级绕组是所谓的“中心抽头”。中心抽头或 CT 是沿绕组中途形成的电触点。该 CT 用于在变压器次级绕组的两半之间提供两个相等的电压 v S。当输入电压为正时,两个v S 信号也将为正,当输入电压大于V D 时,二极管 D 1 将导通,二极管 D 2 将反向偏置。流入二极管D 1的电流也 将流经电阻 R 然后回到CT。在输入正弦波的正半轴期间,该电路的行为就像半波整流器。
在负半轴期间,两个 v S 电压都将为负。现在,二极管 D 1反向偏置,二极管 D 2导通。流经D 2的电流 随后将流经电阻器 R 并返回 CT。
因此,电流在两个半轴期内流动,而且通过电阻器的电流将始终以相同的方向流动。结果是单极性输出电压,如图 1.3 (C) 所示。

图 1.3 (B) 全波整流器的传递特性
如果我们考虑电路在正半轴期间的操作,则D 2阴极的电压为 ( v S - V D ),D 2阳极的电压为 - v S。因此,PIV 是 ( V S - V D ) - (- V S ):
PIV = 2 V S - V D
公式 1.3
请注意,此 PIV 大约是半波整流器的两倍。

图 1.3 (C) 输入输出波形
结论
在本文中,我们讨论了整流电路的用途以及两种特定类型的整流器:半波整流器和全波整流器。
整流器是电源的基本电路,可将交流输入电压转换为可用于为电子电路供电的直流电压电源。我们看到半波整流器使用输入正弦波的交替半轴,而全波整流器同时使用正半轴和负半轴。
声明:本文由作者原创,文章内容系作者个人观点,如有异议,欢迎联系赛特微电子,欢迎关注我的头条号@赛特微电子,后续会分享设计和方案。

