风管系统的构成:

风管的介绍:
风管的种类:
一般分为两种,即圆形风管和矩形风管,其区别和适用场合如下表:
风管尺寸的规格:
在GB50243-2016《通风与空调工程施工质量验收规范》中4.1.3规定了圆形风管的直径和矩形风管的边长。
风管的保温材料:
常用的保温材料有离心玻璃棉和新型高分子材料。
风管系统的设计步骤:
1.风量的确定:
空调风量的确定:
⑴舒适性空调可根据所选的设备风量;
⑵恒温恒湿空调系统的风量计算:
Q:风量(m3/h);qs:显热负荷(kW);
Cp:空气的比热[1.006 kJ/(kg.℃];
ν:空气密度[kg/m3],3600:1kW=3600kJ/h;
△t:室温和送风温度差(℃)。
⑶新风量的确定:
2.风口的数量与分布:
1)风速与噪音的关系:
一般来说,送风口的结构越复杂,并且送风速度越大,则发生的噪音就越大。许可的最大送风速度主要取决于其发生噪音和房间的用途决定的许可噪音级别,同理,回风速度也和噪音有关,送风和回风速度的推荐值具体可见下表1和表2。
2)风速与人体舒适性的关系:
到达活动区域的风速大小与人体的舒适度也有很大的关系。对于舒适性空气调节室内机的的风速计算参数如表3和表4所示。
表3 GB50736-2012《民用建筑供暖通风与空气调节设计规范》摘录如下:
表4 室内活动区的允许气流速度(m/s)
(摘自《全国民用建筑工程设计技术措施》)
3)气流组织:
舒适性空调的目的在于,对于距地面约1.8m以内的居住空间的空气分布,亦即温度,湿度,气流速度,清洁度等指标,保证它们维持在令人感到舒适。
常见送风方式:从侧壁上部的水平送风;从地面朝上送风;从天花水平送风;从天花往下送风。
回风口的位置:不要设置在送风口的附近,避免气流短路,影响室内气流分布;在人员密度高的房间、吸烟室、产生臭味和粉尘的房间等处,最好将回风口设置在天花顶上。
4)风口的种类:
3.选择合适的风管路径:
尽量缩短风管路径的距离;考虑室内的建筑情况;
考虑室内天花布置情况;考虑风管的安装空间;
考虑和其他电气、消防管道等的配合。
保证房间的舒适性和装潢格调和谐、统一。
4.各段支风管、主风管风量确定:
根据已确认的各个送、回风口的风量以及风管路径,将其叠加,即可算出主风管、支风管内的通风量。
5.风管尺寸的确定:
1)风管内的风速:
选定风管内风速时,要综合考虑建筑空间,初投资和运行费用及噪音等因素。经过技术比较,可参考下表5中的数值来计算。
2)风管尺寸:
(1)风管的形式
一般分为两种,即圆形风管和矩形风管,其区别和适用场合如下表:
(2)风管尺寸的选择
根据风速、风量即可求出风管截面积,结合建筑结构情况、装潢情况、阻力因素等,算出风管的长×宽(或管径D),矩形风管注意长宽比宜小于6,最大不超过10。可查阅矩形风管规格,其边长的数据为120、160、200、250、320、400、500、630、800、1000、1250、2000的不同的组合,例如:120×120、320×200等。
6.风管的水力计算:
1)风管内的压力:
管路内的气流阻力中,包括由墙壁引起的沿程阻力和伴随局部管路形状变化而产生的局部阻力。
(1)沿程阻力
长度为L(m)的风管沿程阻力损失为Pm(Pa)可按下式计算:
(2)局部阻力
Pj(Pa)可按下式计算:
:局部阻力系数,可通过查资料所得;
v:风管内该压力损失发生处的空气流速,m/s;
p:空气的密度,kg/m3。
计算总阻力:风管内的总阻力等于摩擦阻力和局部阻力之和,即P(Pa) 可按下式计算: ;
检查设备的机外余压能否克服阻力。
举例说明:
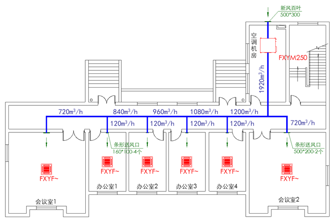
某办公楼的一层平面,会议室2间,办公室4间,现进行新风处理机的选型和风管布置。新风处理机的可放置在空调机房内。
1.风量的确定:
根据人均新风量30m3/h·人以及人员密度计算每间房间的新风量,假定一台新风处理机,并制作“新风设备配置表”。
2.风口的确定
选取送风口风速为2m/s;
根据空调布置方式,吊顶方式,建筑断面图,选择侧送风方式。风口为条形单层百叶送风口。
3.风管路径的确定,画出风管路径单线图;
4.各段风管风量标注;
5.根据风量、假定风速计算管道截面尺寸
假定风速:主管5m/s;支管4m/s;支管上的风管3m/s从《矩形通风管计算表》所查,各管道尺寸如图,
同时在表格中也查得单位长度摩擦阻力Rm。
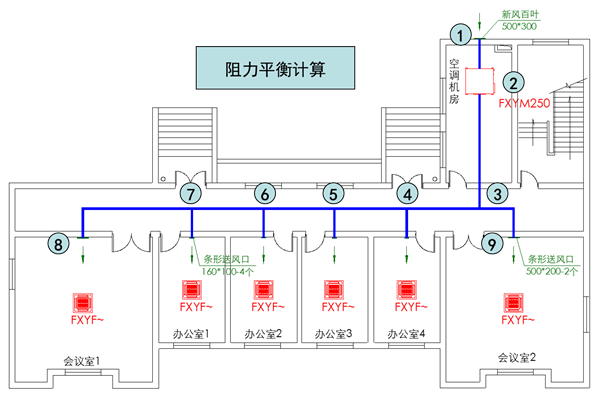
6.选择最不利环路,划分管段,进行阻力计算:①~⑧为最不利环路。
制作表格:
(7)检查并联管路的阻力平衡情况
例:3-8的总阻力为P3-8=35Pa;3-9的总阻力为P3-9=19.4Pa。
以此类推,检查每个并联点的阻力平衡情况,必须<15%结果表明,满足设计要求。
风管阻力的简略算法:
Rm:单位长度风管的摩擦阻力损失,Pa/m;
l:到最远送风口的送风管长度加上到最远回风口的回风管的长度,m;
k:局部阻力损失与摩擦压力损失的比值;
弯头三通少时,取k =1.0~2.0;
弯头三通多的场合,可取到 k =3.0~5.0。
风管的附件:
风量调节阀;防火阀;消声静压箱;软接头;滤网。
风管的消音、隔音:
静压高的风管通过天花板时,要用灰浆涂抹风管或用隔音材料包住。见图1
在机房里直接安装了回风格栅时,在天花板内设置风管是要安装消音装置,或在墙壁上装回风格栅,对空调机房的风管消音、隔音。见图2
回风管也要消音;
当风管要贯穿地板、墙壁时,在套管和风管之间要塞上保温材料,在套管和地板、墙壁之间不要留空隙,灌上灰浆。见图3
制图注意点:
风管系统双线图:
本文来源于互联网,部材取材于大金课件。暖通南社整理编辑。






































