梯形图是使用得最多的图形编程语言,被称为PLC的第一编程语言。梯形图与电器控制系统的电路图很相似,具有直观易懂的优点,很容易被工厂电气人员掌握,特别适用于开关量逻辑控制。梯形图常被称为电路或程序,梯形图的设计称为编程。
梯形图编程中,用到以下四个基本概念:
1.软继电器
PLC梯形图中的某些编程元件沿用了继电器这一名称,如输入继电器、输出继电器、内部辅助继电器等,但是它们不是真实的物理继电器,而是一些存储单元(软继电器),每一软继电器与PLC存储器中映像寄存器的一个存储单元相对应。该存储单元如果为"1"状态,则表示梯形图中对应软继电器的线圈"通电",其常开触点接通,常闭触点断开,称这种状态是该软继电器的"1"或"ON"状态。如果该存储单元为"0"状态,对应软继电器的线圈和触点的状态与上述的相反,称该软继电器为"0"或"OFF"状态。使用中也常将这些"软继电器"称为编程元件。
2.能流
左右母线是一个直流电源的正负极,左母线是接正极,右母线接负极,电流沿着梯形图,从左母线流到有母线,形成一条回路,这里所谓的"电流"就是"能流"。这是一种虚拟的电流,只在程序中让初学者容易理解而发明出来的。现实中并不存在 只是一个概念而已。
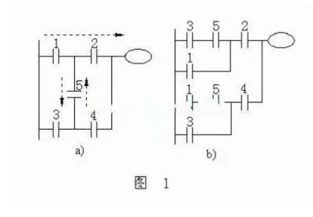
如图1所示触点1、2接通时,有一个假想的"概念电流"或"能流"(Power Flow)从左向右流动,这一方向与执行用户程序时的逻辑运算的顺序是一致的。能流只能从左向右流动。利用能流这一概念,可以帮助我们更好地理解和分析梯形图。图5-1a中可能有两个方向的能流流过触点5(经过触点1、5、4或经过触点3、5、2),这不符合能流只能从左向右流动的原则,因此应改为如图5-1b所示的梯形图。

a)错误的梯形图 b)正确的梯形图
3.母线
梯形图两侧的垂直公共线称为母线(Bus bar)。在分析梯形图的逻辑关系时,为了借用继电器电路图的分析方法,可以想象左右两侧母线(左母线和右母线)之间有一个左正右负的直流电源电压,母线之间有"能流"从左向右流动。右母线可以不画出。
4.梯形图的逻辑解算
根据梯形图中各触点的状态和逻辑关系,求出与图中各线圈对应的编程元件的状态,称为梯形图的逻辑解算。梯形图中逻辑解算是按从左至右、从上到下的顺序进行的。解算的结果,马上可以被后面的逻辑解算所利用。逻辑解算是根据输入映像寄存器中的值,而不是根据解算瞬时外部输入触点的状态来进行的。
声明:本文内容及图片来源于网络,侵权请联系删除。

