车站主要形式概述:

1)地下二层端进式车站
该站型地下一层为纵向互不连通的两个站厅层,地下二层为站台层,站台局部为单层结构。
主要特点:车站分为互不通视且互不联系的两个站厅,一般两端采用明挖,中间采用暗挖(明挖)施工,车站功能稍差,客流组织和运营管理较为不便。
适用条件:受无法改移或破除的深埋的市政管线或其他构筑物横穿线路,或地面交通无法倒改等特殊条件限制下的情况。
实例:已建北京地铁1、2号线大部分车站;已建广州地铁二号线江南西站、已建广州地铁三号线林和西站采用此形式。
2) 地下二层分离岛式车站
该站型地下一层为横向互相连通的两个独立站厅层,地下二层为站台层。
主要特点:车站分为横向互不通视但可互相联系的两个站厅,客流组织和运营管理稍有不便,车站规模大,投资高。
适用条件:相邻线路受桥桩或者其他因素限制,无法采用标准布置的情况。
实例:已建北京地铁十号线工体北站、呼家楼站,在建西安地铁2号线钟楼站等采用此形式。
3) 地下二层异行岛式车站
主要特点:功能基本同地下二层标准岛式,只是站台采用“弧形”或“楔形”布置。
适用条件:线路受周边条件限制,无法采用标准布置,只能采用异形布置站台的情况。
实例:已建广州地铁二号线鹭江站、深圳地铁2号线乔香站、武汉地铁2号线循礼门站;在建合肥地铁太湖路站均采用此形式。
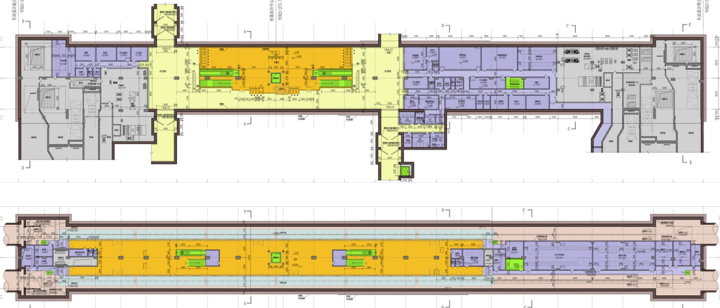
车站总图:
1)了解车站总长、宽和线间距。
2)了解车站出入口、风亭和冷却塔:一般设有4个出入口(逆时针编Ⅰ、Ⅱ、Ⅲ、Ⅳ号),2组风亭(小里程为1号)和一处冷却塔。出入口兼具地下过街功能。
3)需注意口与风亭的排水设施,冷却塔基础和与车站内连通的管道敷设等问题。
车站站内布局:
通风空调制式:
屏蔽门系统主要特点:
a、提高了安全性;
b、降低了车站与隧道间的空气对流,减少了车站冷负荷损失,提高了车站空气洁净度,降低了列车进站带来的噪音;
c、便于有效组织气流;
d、增强活塞效应,利于隧道的活塞通风;
e、节约通风空调系统的初投资、运行费用和土建初投资;
f、屏蔽门系统本身将增加初投资和运营费用。
应用情况:新加坡地铁、香港地铁、广州地铁除1号线外、广佛地铁、苏州地铁、深圳地铁各线、上海地铁除2号线外。中、南部和大部分北部在2007年以后屏蔽门系统采用占绝对优势。
开闭式系统主要特点:
a、隧道通风系统运行方式根据室外气候变化可采用开式或闭式运行;
b、不安全,乘客有跌入轨道的可能;
c、不利于紧急工况下有效组织气流;
d、由于受活塞风的影响,车站的温度场、速度场无法维持稳定,同时车站空气品质也较难控制;
e、通风空调系统的初投资、运行费用和土建初投资较大。
应用情况:北京地铁各线、沈阳地铁、天津地铁、南京地铁一号线等。在我国北部城市地铁中曾被普遍采用。
环控制式比较:
系统与服务区域的对照表:
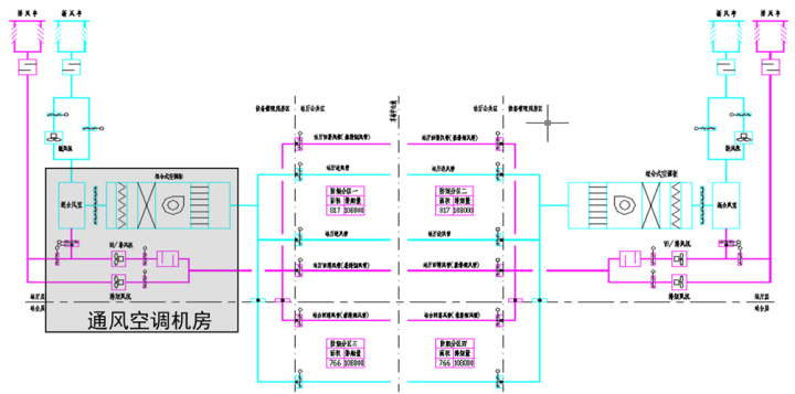
风系统:正常运营时,公共区为乘客提供“过渡性舒适”的乘车环境,车站设备管理用房为车站工作人员提供舒适工作环境条件和为车站设备运行提供所需的工艺环境条件。
当公共区发生火灾时,大系统应能迅速排除烟气,诱导乘客向安全区疏散;当车站设备管理用房区发生火灾时,小系统应能及时排除烟气或设防烟防火分隔。
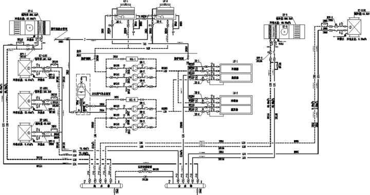
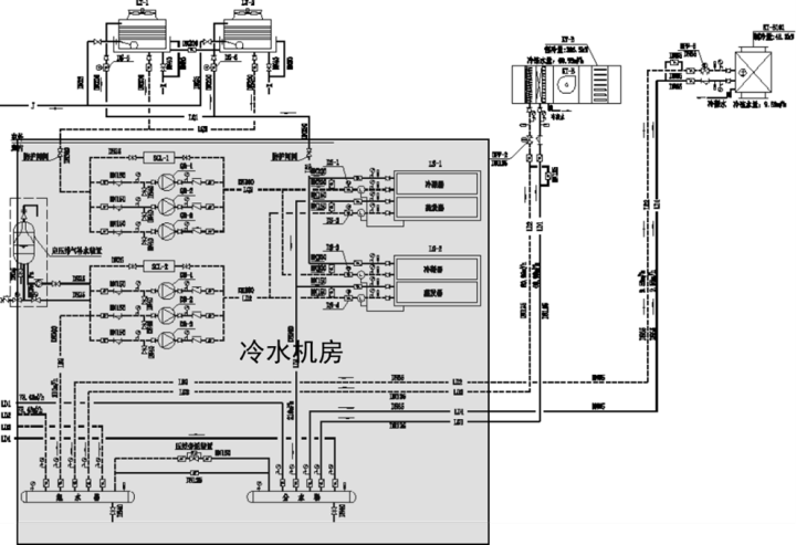
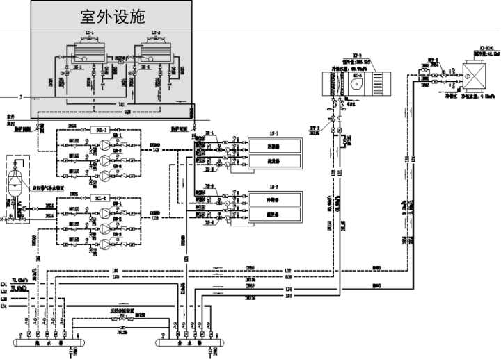
水系统:为车站空调系统提供空调冷源,包含冷却系统、冷冻系统及输送、分配管网。有集中供冷与分站供冷等形式。
车站通风空调大系统:
1)大系统一(全空气系统)
运行工况:小新风空调、全新风空调、全通风。
2)大系统二:空气、水系统(柜式空调器)
运行工况:小新风空调、全新风空调(状态点有变化)、全通风(柜机运行)。
3)大系统三:空气、水系统(风机盘管)
车站通风空调小系统:
小系统:空调、通风、排风。
a)空调系统:管理用房、弱电系统用房、强电用房等;
b)通风系统:一般设备房、强电用房等;
c)排风系统:卫生间等。
其中空调系统分全空气系统、风机盘管+新风系统。
水系统:一次泵末端变流量。
主要设备:冷水机组、冷冻水泵、分水集、空调末端(3种)、集水器/冷却水泵、冷却塔/定压排气补水装置、电子水处理仪。
车站设备布置要求:
1)风系统-风道
风道:包括进风道与排风道。
内部设施:
a)人防门(胶管活门、隔断门等);
b)过滤装置(滤尘器、滤毒罐等);
c)消声器(L=2~3m,可竖向布置);
d)小新风机。
地面设施:风亭。
a)无盖风亭,净距>5m,上设格栅,下设集水井,新风井距其它地方>10m;
b)有盖风亭,设计百叶有效面积应不小于80%。现场土建装修常不按要求,私自作到只约为50%(也没人管)。注意排水方向。
通风面积:按通风量计算(两端设风亭时,进风道12m2,排风道18-22m2)。
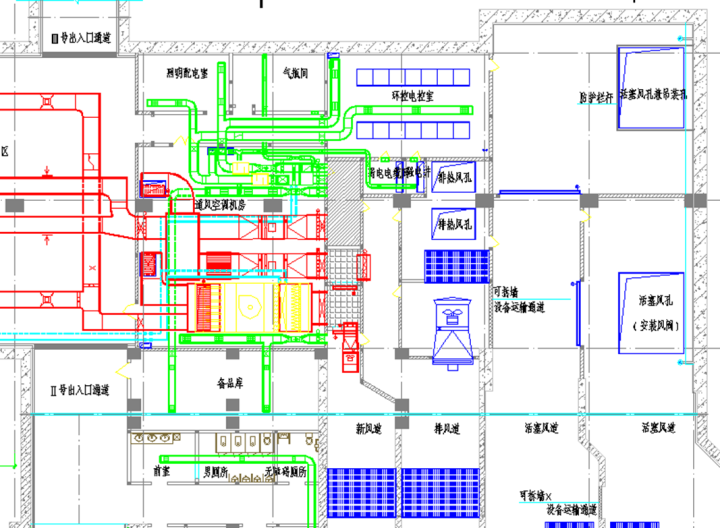
2)风系统-通风空调机房(环控机房)
通风空调机房:
位于风亭/道与服务区域之间,一般靠近风道与主体接口处。一般与小系统机房合并,也可与冷水机房合设。
要求:所有的环控机房均应一端与进、排风道连通,同时另一端应有足够的管线空间与服务区域连接。
内部设施:
组合式空调机组:机组长约8~10m,后设混合风室;
回排风机、排烟风机、风阀、小系统通风空调设备等。
面积:满足设备与管线布置需要(一般>16~20m×12~16m)。
3)水系统-室内
冷水机房:位于通风空调系统的负荷中心,一般设在设备管理用房较多的一端,靠近风道与环控机房。
内部设施:冷水机组、水泵、集水器与分水器等,注意设备基础、换热器清洗空间、水槽、排水沟等,当采用开式冷水机组时,还需注意机组的通风排热。
接管要求:冷冻水系统水管与末端设备(位于环控机房)连接,冷却水系统水管与室外设备连接(通过风道)。
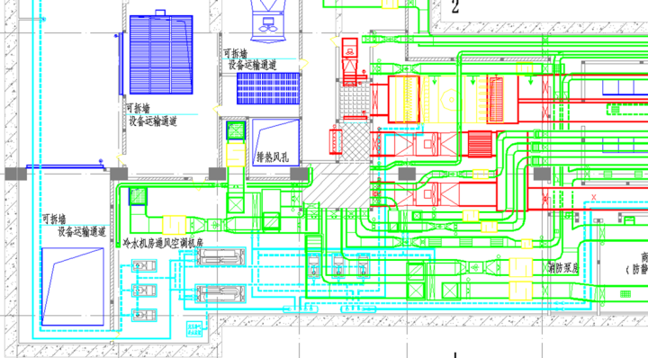
4)水系统-室外
室外设施:
可位于风亭/出入口上盖、地面、下沉空间;
室外设备:冷却塔、膨胀水箱等;
接管要求:风道与设备之间的管道走廊(埋地/架空/防腐/防冻/与城市管线的协调/永久性用地等);
布置要求:冷却塔进风面与障碍物的距离>3m(具体按设备工艺要求)。
车站设备布置要求:
典型布置方案一:
空调通风机房单独布置(建议作法):
典型布置方案二:
大小系统共用空调通风机房(常规作法)
典型布置方案三:
空调通风机房+冷水机房
屏蔽门制式下隧道通风系统介绍:
活塞风道配置平面方案:
双活塞风道配置:
单活塞风道配置:
正常运行时,由一台隧道风机兼车站排热风机,事故状况下转作区间隧道通风,排热风阀关闭(天津地铁)。
单活塞风道单风井模式配置:
更多内容,请查看暖通南社公众号...




























