重力循环热水供暖系统:
双管上供下回式:
系统特点:结构简单,安装方便,水流速度低,升温慢;装置简单;无噪声、不耗电;作用半径小,管径大、作用范围受限。

双管系统各层循环作用压力不同。
垂直失调: 由于流量分配不均而使同一竖向各层房间的室温不符合设计要求,出现上下冷热不均的现象
应用范围:作用半径 ≯ 50m的单幢建筑。
楼层增多,会对双管系统的水力工况产生什么影响?采取什么措施可以有效预防多层建筑垂直失调的现象?
针对于∆P 措施一:调整各层连接散热器支管和阀门的直径,旨在减少上层散热器环路过多的剩余压差,相应增加下层散热器环路的流量;将散热器供水支管闸阀,更换为高阻力的自力式温控阀,将会得到更好的效果。
针对于∆t的措施二:增设加压泵,采用混水器与室外供暖管网连接,在不改变建筑物热量和入口额定流量的前提下,使建筑物内部系统的循环流量增加,相应使自然作用压力得以下降。
立管的流量:
混水器是提供恒温热水,降低水温的装置,在自动恒温节水混水器的混合出水口处,装有一个热敏元件,利用感温元件的特性推动阀体内阀芯移动,封堵或者开启冷、热水的进水口。在封堵冷水的同时开启热水,当温度调节旋钮设定某一温度后,不论冷、热水进水温度、压力如何变化,进入出水口的冷、热水比例也随之变化,从而使出水温度始终保持恒定,调温旋钮可在产品规定温度范围内任意设定,自动恒温节水混水器将自动维持出水温度。
重力循环单管式系统:
特点:一根立管上所有散热器只有一个共同的重力循环作用压头;单管系统各层进出口水温不同,散热器的 k 随各层散热器平均计算温度差而变化,导致 垂直失调 。
由于重力循环系统作用压力不大,产生的作用压力,增加一个考虑:水在循环管路中的冷却的作用压力。
在自然循环上供下回双管热水供暖系统中,由于水在管路内冷却而产生的附加压力。
机械循环热水供暖系统:
机械循环热水供暖系统的特点
增设水泵,水流速大,管径小、升温快。
供暖范围大,广泛用于多幢建筑或区域供暖。
维修工作量大,运行费用增加。
机械循环热水供暖系统中,膨胀水箱的作用:
1)吸纳膨胀水量和补水;2)定压。
若条件限制,供回水干管可无坡度敷设,但管中水流速度不得小于0.25 m/s 。
散热器支管坡度:1%-2%。
垂直式系统:
上供下回式(单、双管):
特点:
1)排气方便;
2)室温可调;
3)易垂直失调;
4)最为常用。
适用范围:顶层有屋架或吊顶、室温有调节要求的建筑物 (≯5层)。
特点:
1)散热器可单独调节和关断;
2)部分水量流入散热器,所需散热面积增加;
3)可解决垂直失调问题;
4)管道占用空间,不易装饰。
应用范围:多层住宅和高层住宅(一般不超过12 层)。
特点:1)水平供回水管均考虑排气;2)每组散热器下设泄水阀(或丝堵);3)加重垂直失调。
应用范围:工业建筑及不可能将干管敷设在地板上或地沟内的场合。
双管下供下回式:
特点:
1)干管设于地下室或室内地沟;无效热损失少;
2)室内无干管,顶层房间美观;
3)冬季施工方便;
4)缓和垂直失调;
5)排气困难。
排气方式:
1)散热器冷风阀排气;
2)供水立管加高,顶部设专用排气管。
应用范围:顶棚下难以布置供水干管的六层以下建筑。
下供上回式(单、双管):
特点:
1)易排气;
2)减轻垂直失调;
3)底层供水温度高,散热器面积可减少;
4)适用于高温水采暖;
应用范围:热媒为高温水,对室温有调节要求的建筑。
混合式:
特点:
1)可直连高温水;
2)系统压损大;
3)初调节难;
适用范围:有高温水采暖要求的工厂区和有低温水采
暖的生活区的热用户。
水平式系统:
特点:
1)除主立管外,无立管穿过楼板,施工方便,经济美观;
2)便于分层管理和调节;
3)排气困难;
4)串太多散热器,易水平失调;
应用范围:
1)各层使用功能不同或温度要求不同的建筑物;
2)大面积公共建筑和多层建筑。
室内热水供暖系统的管路布置一般原则:
引入口一般设一个,宜设在建筑物热负荷对称分布的位;
将系统分成阻力损失易于平衡的若干支路(每环 ≯6-8立管);
一般将供水干管端置于朝北一侧,末端设于朝南一侧。
室内热水管路一般明装。立管尽可能布置在房间角落,尤其是两外墙的交接处。
高层建筑热水采暖系统:
(1)分层式
分层式高层建筑热水采暖系统是将系统沿垂直方向分成两个或两个以上独立系统的型式,即将系统分为高、低区或高、中、低区,其分界线取决于集中热网的压力工况、建筑物总层数和所选散热器的承压能力等条件。
低区可与集中热网直接或间接连接。高区部分可根据外网的压力选择下述型式。分层式系统可同时解决系统下部散热器超压和系统易产生垂直失调的问题。
双管上供下回式:
1)高区采用间接连接的系统
高区采暖系统与热网间接连接的分区式采暖系统。向高区供热的换热站可设在该建筑物的底层、地下室及中间技术层内,还可设在室外的集中热力站内。室外热网在用户处提供的资用压力较大、供水温度较高时可采用高区间接连接的系统。
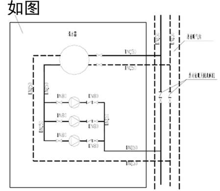
2)高区采用双水箱或单水箱的系统(外网供水温度较低)
高区采用双水箱:在高区设两个水箱,用泵1将供水注入供水箱3,依靠供水箱3与回水箱2之间的水位高差(如图a中的h) 作为高区采暖的循环动力。
利用非满管流动的竖管6将系统高区与外网分离的作用。
高区采用单水箱的系统:
在高区设一个水箱,利用系统最高点的压力作为高区采暖的循环动力。
室外热网在用户处提供的资用压力较小、供水温度较低时可采用这种系统。
该系统简单,省去了设置换热站的费用。但建筑物高区要有放置水箱的地方,建筑结构要承受其载荷。水箱为开式,系统容易进空气,增大了氧化腐蚀的可能。
(1)双线式采暖系统
1)垂直双线热水采暖系统
图中虚线框表示出立管上设置于同一楼层一个房间中的散热器,按热媒流动方向每一个立管由上升和下降两部分构成。
各层散热器的平均温度近似相同,减轻了垂直失调。立管阻力增加,提高了系统的水力稳定性。
适用于公用建筑一个房间设置两组散热器或两块辐射板的情形。
2)水平双线热水采暖系统
为水平双线热水采暖系统,图中虚线框表示出水平支管上设置于同一房间的散热器,与垂直双线系统类似。
各房间散热器平均温度近似相同,减轻水平失调,在每层水平支线上设调节阀7和节流孔板6,实现分层调节和减轻垂直失调。
(3)单双管混合式系统
该系统中将散热器沿垂向分成组,每组为双管系统,组与组之间采用单管连接。
利用了双管系统散热器可局部调节和单管系统可提高系统水力稳定性的优点,减轻了双管系统层数多时,重力作用压头引起的垂直失调严重的倾向。
但不能解决系统下部散热器超压的问题。
(4)直连(静压隔断)系统
该系统中热媒经低区管网供水由加压泵送至高区,在散热器后,回水减压并回到低区回水管网的过程。 关键在于如何将系统热媒静压力消耗到合理的范围,重点在减压。前提是高区和低区采暖系统必须分开,控制过程为回水流回低区官网这一过程。
本文来源于互联网,暖通南社整理编辑。
























