AMD将于8月5日公开展示AMD Zen4锐龙7000系列处理器搭配的新主板,包括华擎、华硕、映泰、技嘉、微星五大品牌,代表型号均为X670E。
微星提前泄露了新板子的部分核心规格,包括4个导热垫片、4个PCIe 5.0 M.2固态盘,以及M.2冰霜铠甲散热片。
其中,4个M.2 SSD的尺寸分别为2280、2580、2580、25110,这也证实了此前的传闻,M.2 SSD要变宽了。
M.2 SSD的长宽尺寸形态有多种形态,包括2230、2242、2260、2280、22100,代表宽度均为22毫米,长度30-110毫米不等,最常见的就是2280。
2580、25110无疑意味着宽度将增加到25毫米,长度则分别维持在80毫米、110毫米。
自然,这种新25毫米SSD无法安装在已有主板上,但是旧的22毫米SSD能否安装在新的主板插槽上尚未可知,理论上应该兼容。

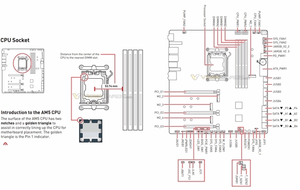
同时还有微星某X670E主板的设计图泄露,可以看到双芯片组成的X670E、24+2+1相供电电路(最大电流105A)、三条PCIe x16扩展插槽、四个M.2插槽、八个SATA 6Gbps接口、PCIe/USB-PD 6针供电接口、USB 3.2扩展插针。
处理器插槽自然是新的AM5,其左上角有一个金色的三角标记,对准即可防止安装错误,另外从插座中心位置到内存插槽,标准距离为53.74毫米。




