太阳能逆变器:

光伏逆变器分类:
逆变按照功能来分,主要分为并网逆变器及离网逆变器。
离网逆变器输出的是电压,主要用于储能系统,以及偏远地区电网无法抵达的地方。
并网逆变器输出的是电流,主要用于并网系统,通过发电给电网获得收益或者自用。
并网逆变器:分为隔离逆变器和非隔离逆变器(工频逆变器、高频逆变器、高频非隔离逆变器)。
逆变器按照功率等级来分一般分为微型逆变器,组串式及集中式逆变器。
逆变器的首要任务是将由太阳能电池板接收太阳光后转化出来的直流电转化为家庭和工业能够使用的交流电;只要需要将直流转变为交流的地方都需要逆变器。
逆变器在光伏发电系统中的位置:
逆变器的主要功能是将组件产生的直流电转换成可以并网的交流电:
逆变器的原理及组成部分:
主要组成部分如下(市面上大体都差不多,以欧姆尼克为例):
逆变器主要组成部分可分为,外壳及端子,散热器,显示屏,控制板,电源板,功率板。
其中:
1:外壳及端子,用于接线及防护。
2:散热器,用于逆变器的系统散热。
3:显示屏,显示逆变器的状态及数据。
4:电源板,用于逆变器的内部供电。
5:控制板,核心部件,逆变器功能控制,各种算法控制。
6:功率板,核心部分,主要电路都集成与功率板上。
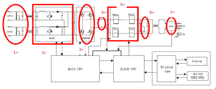
电气原理图拓扑及器件组成:
输入滤波,上图中对应1,用于防止系统,引起的直流端的电能干扰。
升压部分,上图对应2,用于将电池板输出的低直流电压升至高直流电压,用以逆变。
母线电容,上图中2和3中间部分,用于稳定直流电压,防止其波动。
逆变部分,上图中对应3,用于将直流电压转换为交流电压。
输出电感,上图中对应4,用于改善输出电流的波形,减小电流的谐波,提高电能质量。
输出继电器,对应5,输出的断点击并网控制。
输出测滤波,对应6,用于防止系统,引起的交流端的电能干扰。
逆变器结构:
内部各个模块:
逆变器的主要参数和含义:
光伏逆变器常用效率概念:
最大效率ŋmax:逆变器能达到的最大效率;
欧洲效率ŋ euro:在不同功率点按照欧洲当地气象条件的加权公式计算;
加州效率ŋ cec:在不同功率点按照加洲当地气象条件的加权公式计算;
MPPT效率ŋmppt:反应逆变器最大功率点跟踪的精度;
整机效率ŋtot:在某个直流电压下ŋeuro和ŋmppt 的乘积。
逆变器的主要参数和含义:
1:最大输入功率:表示逆变器最大匹配的组件功率,建议不超过 该功率,特别是光照特别强的地方,比如国外的澳大利亚,中国的北方地区。
2:最大输入电压:逆变器最大输入电压,组件的开路电压不能超过该电压,否则会引起逆变器损坏。
3:额定直流电压:该电压下逆变器转换效率最高。
4:MPP电压:组件的最佳功率点追踪的电压,决定发电量的核心因素。
5:启动电压:超过该电压,逆变器启动,该电压越低,发电量越高。
6:功率因数:跟电网有关,功率因素范围越宽,对电网的适应性越强。
由于电网功率因数可能为1,所以逆变器需要依据电网的电压波形来进行相应的调整以匹配电网。
7:总电流谐波畸变:逆变器输出电流的失真度,国家规定不超过5%,谐波越大对电网电能质量的影响越大,谐波越低,代表电能质量越好。
8:欧洲效率:这个概念仅仅在光伏上应用,是根据欧洲光照条件,给出一个有标准配置阵列的光伏逆变器,在不同功率点的权值,用来估算逆变器的总体效率。各个功率段的效率加权平均值。
9:输出电压范围:逆变器输出的电压范围,该范围越宽,逆变器对电网的适应性越强。特别在农村地区,电网非常的不稳定,低的是在170V,高的时候达到260V。
10:防护等级:逆变器对环境的适应性,一般组串的都要到IP65,及防止360°范围内的喷水。
11:MPPT效率:即MPPT的追踪精度,组件具有MPP的状态,组件的输出功率如下图所示。
MPPT效率电池板实际发电功率与理论最大发电功率的比值;它反映逆变器最大功率点追踪的性能,该效率越高,则发电量会高。
MPPT效率:电池板实际发电功率与理论最大发电功率的比值。
反映逆变器追踪最大功率点的性能。
逆变器转换效率:逆变器输出功率与输入功率的比值。
反映逆变器能量转换的性能。
总转换效率:
MPPT效率与逆变器转换效率的乘积。
反映逆变器的整体性能。
逆变器的选型:
光伏逆变器使用连接方式:
组串型逆变器和集中型逆变器优缺点对比:
逆变器的安装注意事项:
注意:因不合适或者不恰当的安装环境会危及逆变器的使用寿命。
请勿安装在太阳长期直射区域,以避免逆变器内部高温导致的功率降额。
为了提高机器的使用寿命,请勿安装在雨雪直接淋到的区域。
安装地点必须要有良好的通风条件。
尽快逆变器专为户内户外安装设计,为了延长逆变器的使用寿命,建议将逆变器安装在地下室或车库等不直接接触阳光或雨雪的区域。
由于逆变器在工作时会产生噪音,故请勿将其安装在卧室或经常有人活动的区域。
请按如上图标示安装逆变器,建议在垂直不超过15度角方向安装逆变器。
请逆变器安装于眼可平视方位,以方便检查LCD显示屏以及维护工作。
请确保您所选墙面可安装螺丝并能够承受逆变器的重量。确保设备稳定安装在墙上。
不建议逆变器暴露于强烈的阳光直射,以防过热导致功率降额。
安装地点环境温度建议在摄氏-20度到60度之间。
确保安装地点的通风,通风不充足可能会影响逆变器内部电子元件的性能乃至缩短逆变器的使用寿命。
电池板:
逆变器:
电网:
逆变器常见故障有哪些?
1、 故障现象:逆变器屏幕没有显示
故障分析:显示屏没有供电
可能原因:
(1)查看组件电压,是否满足。
(2)组件端子正负是否接反。
(3)直流开关是否合上。
(4)是否已与电网连接,电网电压是否正常。
解决方法:用万用表电压档测量逆变器直流输入电压。电压正常时,总电压是各组件电压之和。如果没有电压,依次检测直流开关,接线端子,电缆接头,组件等是否正常。如果有多路组件,要分开单独接入测试。测量交流电压是否正常。如检查完毕均无问题,建议联系厂家。
2、故障现象:逆变器不并网,或者是根本不工作(死机)
故障分析:逆变器和电网没有连接。
可能原因:
(1)交流开关没有合上。
(2)逆变器交流输出端子没有接上
(3)接线时,把逆变器输出接线端子上排松动了。
解决办法:用万用表电压档测量逆变器交流输出电压,在正常情况下,输出端子应该有220V或者380V电压,如果没有,依次检测接线端子是否有松动,交流开关是否闭合,漏电保护开关是否断开。
3、PV过压欠压:
故障分析:直流侧过压或欠压
可能原因:组件串联数量过多或过少,造成电压超过逆变器的电压。
解决办法:查看组件串联数目,一般来说三相机每串串联数目应不大于22块,单相机的每串串联数目应不大于13块。
4、电网电压错误:
故障分析:电网电压和频率过低或者过高。
解决办法:用万用表测量电网的电压及频率。按照中国的标准规定的电压范围195.5V-253V,频率范围在49.5Hz-50.2Hz。如电网电压频率始终超出该范围,建议与厂家协调调宽范围。
5、系统输出功率偏小:达不到理想的输出功率
故障分析:逆变器输出未达满功率。
可能原因:
1:太阳光较弱,本身能量就不够
2:电池板有遮挡或者灰尘导致电池板输出功率降低
3:交直流接线未拧紧导致接头处产生阻抗,消耗功率
4:电网电压过高导致逆变器降载输出
5:组件损坏
6:逆变器温度过高导致降载输出
解决方案:
1:测量组件输出端电压及电流,计算输入功率,看与实际输出功率相差大不大,如相差不大,则问题原因在组件,检查组件是否有遮挡,灰尘等,如有,则问题排除,如无,检查组件是否有损坏,或者组件与逆变器连接处有无松动,如无,请联系组件厂家。
2:按1步骤,相差较大,检查电网电压是否在逆变器额定输出附近,如不是,则为电网原因,可联系逆变器协助解决。如在附近,可测量逆变器温度,一般外壳温度超过60°就不太正常了,请联系逆变器厂家解决。
3:如上述步骤均无法解决问题,请联系逆变器厂家解决维修。
5、线缆的选型
电网阻抗过大,光伏发电用户侧消化不了,输送出去时又因阻抗过大,造成逆变器输出侧电压过高,引起逆变器保护关机,或者降额运行。
常见解决办法有:
(1)加大输出电缆,因为电缆越粗,阻抗越低。
(2)逆变器靠近并网点,电缆越短,阻抗越低。
交流电缆长度大于50米,往上选择大一型号。
如何选择一个高性价比逆变器?
1:高效率、高稳定性、高可靠性,是发电量高的保证
-首先从原材料开始,元器件为国际知名品牌为优,由于逆变器电子元件较多,易产生问题,建议使用主要元器件为国际知名品牌的逆变器,经得起时间的考验。
2:产品技术和质量控制(德国质量和管控体系)
3、看关键参数,输入电压和输出电压的范围,MPPT电压范围越宽,日发电时间越长。输出电压范围越宽,意味着适应电网的能力越强,尤其我国贫困地区电网差,电压高,需要宽范围输出电压的逆变器。
4:显示界面人性化,建议夜间仍能查看逆变器数据的逆变器,保证逆变器的实时检测,同时有智能的远程监控功能,有网络的地方选择有WIFI监控的设备,在农村地区选择具体GPRS的移动通信功能的监控设备,通过手机或者电脑可以随时掌控发电量和电站的运行情况,发现问题随时处理。
5:有各项并网的认证,国内必须具有CQC的认证,国外的必须具有各个国家的当地并网认证。
7、在国外有数万台以上,时间有三年以上,成功运行案例的公司,时间是检验一切的标准,有的公司为了降低成本用质量不高的元器件使用寿命一两年就挂了,用户的口碑才是王牌。
本文来源于互联网,作者:欧姆尼克新能源。暖通南社整理编辑。































