2022年7月13日,浙江省人民政府办公厅发布了《关于进一步支持建筑业做优做强的若干意见》。其中第六条提出:推行绿色建造方式。加快推动装配式构件和部件标准化,推广应用一批成熟的装配式建筑结构体系。严格绿色建材评价认证,加大绿色建材、绿色技术、绿色工艺应用力度,大力推广墙体保温隔热技术,鼓励政府投资项目优先采用绿色建材。到2025年,实现装配式建筑占新建建筑比重达到35%以上,钢结构建筑占装配式建筑比重达到40%以上,新建绿色建筑不少于2亿平方米,高星级绿色建筑占比不少于65%。
浙江保温装饰板地方标准
浙江省关于保温装饰板的地方标准相对较多,从多维度控制保温装饰板产品的质量,由此可见,浙江省对于此类系统的重视程度之高。
DB33/T 1230-2020《金属面板保温装饰板外墙外保温系统应用技术规程》
DB33/T 1190-2020《石材面板保温装饰板外墙外保温系统应用技术规程》
DB33/T 1164-2019《无机非金属面板保温装饰板外墙外保温系统应用技术规程》
DB33/T 1141-2017《保温装饰夹心板外墙外保温系统应用技术规程》

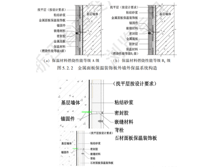
金属面板保温装饰板外墙外保温系统由金属面板保温装饰板、粘结砂浆、锚固件、嵌缝材料和密封胶等构成,采用以粘结砂浆粘结为主、锚固件连接为辅的施工工艺,将金属面板保温装饰板安装在建筑外墙外表面的非承重保温装饰构造总称。
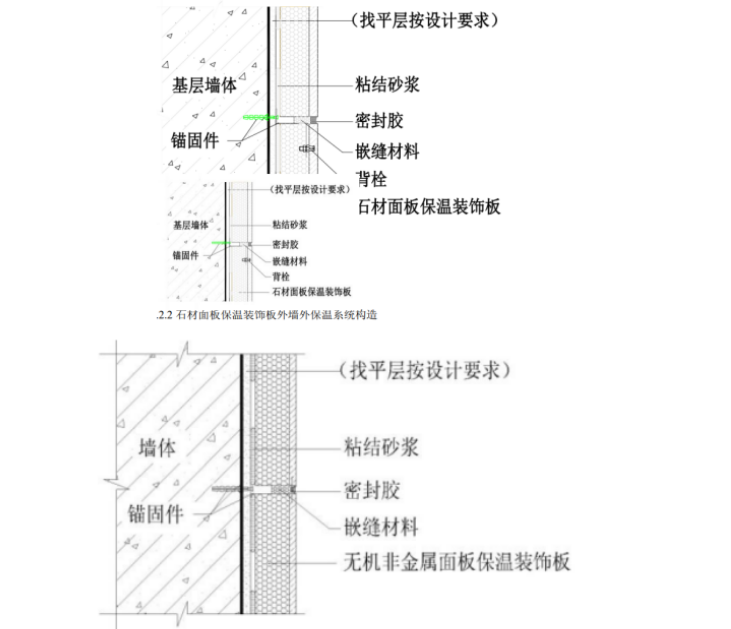
石材面板保温装饰板外墙外保温系统由石材面板保温装饰板、粘结砂浆、锚固件、托架、嵌缝材料和密封胶等构成,采用以粘结砂浆粘结为主、锚固件连接为辅的施工工艺,将石材面板保温装饰板安装在建筑外墙外表面的非承重保温装饰构造总称。
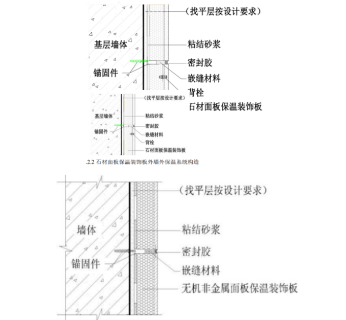
无机非金属面板保温装饰板外墙外保温系统由无机非金属面板保温装饰板、粘结砂浆、锚固件、嵌缝材料和密封胶等材料构成,采用以粘结砂浆粘结为主、锚固件连接为辅的施工工艺,将无机非金属面板保温装饰板安装在建筑外墙外表面的非承重保温装饰构造总称。
保温装饰夹心板外墙外保温系统由保温装饰夹心板、粘结砂浆、锚固件、嵌缝材料和密封胶等材料构成,采用粘结砂浆粘结为主、锚固件连接为辅施工工艺 将保温装饰夹心板安装在建筑外墙外表面的非承重保温装饰构造总称。
保温装饰板材料性能指标与行业标准对比
通过上面表格可以看出,在浙江省推行保温装饰板系统的时候,需注意以下几点:
1) 金属面板保温装饰板系统,当采用B1级保温材料时,保温材料表面应设置厚度不小于5mm的防护层,可选用硅酸钙板或者抹面砂浆(内置克重≥160g的耐碱玻纤网格布)做防护层;A级保温材料可选用060级热固复合聚苯板;B1级保温材料可选用模塑聚苯乙烯保温板系列产品;
2) 石材面板保温装饰板系统,A级保温芯材可选无釉面发泡陶瓷保温板,B1级保温芯材可选D型热固复合聚苯板且氧指数不小于30%,背栓式安装工艺;YAPU陶瓷薄板外墙保温装饰一体板,饰面层是1300度高温压制而成的陶瓷薄板,保温芯层是防水性优越的硬泡聚氨酯和防火性能的岩棉,一次化学合成,可以永久不脱落。
3) 无机非金属面板保温装饰板系统,A级保温芯材可选无釉面发泡陶瓷保温板、泡沫玻璃板;B1级保温芯材可选D型热固复合聚苯板和模塑聚苯板;
4) 保温装饰夹心板系统,主推的A级保温芯材为岩棉条,B1级保温芯材为模塑聚苯板;
5) 不推荐聚氨酯板做为保温芯材使用在外墙保温装饰板系统,因为其体积形变易引发保温装饰板系统面层开裂及脱落等质量问题的发生;
6) 浙江省地处夏热冬冷地区,外墙保温厚度的要求不算高,故而每种保温装饰板系统均对保温装饰板的厚度做了要求,方便保温装饰板产品设计。
系统材料供应
保温装饰板外墙外保温系统各组成材料应配套使用。
保温装饰板应用规定
本规程适用于浙江省抗震设防烈度为8度及8度以下地区,以混凝土或砌体、墙板为基层墙体的新建、改建、扩建民用和工业建筑及既有建筑节能改造保温装饰板外墙外保温工程的设计、施工与验收。涉及系统应用的规范如下:
由于浙江省保温装饰板相关的标准有4项,分别适用于金属面板、石材、无机非金属面板和夹心内板系统,标准里对于每一类产品的应用高度、单板面积均做了明确的规定,在进行保温装饰板产品推荐时,需提前做好准备工作。
结语
台州《关于印发台州市住宅品质提升设计指南(试行)的通知》中提出:住宅应优先采用墙体自保温系统、外墙保温装饰一体化系统、装配式保温一体化系统;除外墙干挂装饰板形式外,住宅不应采用墙体外保温砂浆系统及岩棉板薄抹灰保温系统。
温州《关于加强建筑外墙保温工程质量管理和推广使用建筑节能新材料新产品的通知》中提出:在市区两线三片重点区域政府投资的安置房、建筑立面整治、老旧小区改造等工程项目中应鼓励政府投资的工程项目先行使用有釉面发泡陶瓷保温板等建筑外墙保温装饰一体化板,带动社会投资建设项目不断扩大应用。
近几年来,浙江省在建筑外墙保温技术的应用工作方面取得了阶段性成效,出台了相关条例、制定了技术标准、发布了技术公告、加强了技术研发攻关,建筑外墙保温技术应用进一步规范、建筑品质实现进一步提升。









