1.重邮“用于电源管理芯片的过零检测电路”专利公布
2.速腾聚创“光芯片及激光雷达”专利公布
3.LG Energy Solution电池专利数量达2.7万项 居世界第一
4.微软以被许可人身份加入Sisvel 5G多模专利池
5.日本计划指定25个技术领域对专利保密
1.重邮“用于电源管理芯片的过零检测电路”专利公布
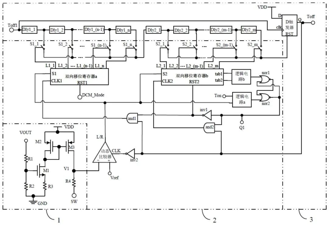
集微网消息,天眼查显示,重庆邮电大学“一种用于电源管理芯片的过零检测电路”专利公布,申请公布日为6月9日,申请公布号为CN116248092A。

图源:天眼查
专利摘要显示,该发明请求保护一种用于电源管理芯片的过零检测电路,包括自适应失调电压产生电路、延时调节电路及低边功率管驱动信号产生电路。
据悉,该发明采用自适应失调电压产生电路产生一个与电源管理芯片的输出电压Vout线性相关的失调电压并叠加到电源管理芯片的低边功率管的漏极电压Vsw上,有效地抑制由于不同电感电流下降斜率而引起比较误差的问题,提高动态比较器的精度及速度;采用动态比较器的反馈作用来控制双向移位寄存器a及双向移位寄存器b,进而精确控制延时链电路的延时时间(即低边功率管的驱动信号端Toff的信号脉宽时间),从而及时关断电源管理芯片的低边功率管,实现一种高精度的过零检测电路。(校对/姜羽桐)
2.速腾聚创“光芯片及激光雷达”专利公布
集微网消息,天眼查显示,深圳市速腾聚创科技有限公司“光芯片及激光雷达”专利公布,申请公布日为6月9日,申请公布号为CN116243279A。
图源:天眼查
专利摘要显示,该申请实施例公开了一种光芯片及激光雷达,光芯片包括芯片本体、至少两个光放大器及至少两个收发模组,芯片本体的第一表面设有容置槽,光放大器设于容置槽,芯片本体于相邻的两光放大器之间设有沿第二方向延伸的第一隔热槽,第一隔热槽包括沿第二方向连通的第一凹槽与第二凹槽,容置槽的底壁设有第一凹槽,第一凹槽位于相邻的两光放大器之间,第一表面设有第二凹槽,第二凹槽的顶部于第一方向的宽度小于第一凹槽的顶部于第一方向的宽度。
据悉,该申请中第一凹槽的顶部于第一方向的宽度较大,可以保证足够的隔热效果,而第二凹槽的顶部于第一方向的宽度较小,可以保证芯片本体的结构强度。(校对/姜羽桐)
3.LG Energy Solution电池专利数量达2.7万项 居世界第一
集微网消息,据BusinessKorea报道,LG Energy Solution(LGES)在韩国、中国、美国和欧洲设有研发(R&D)中心。在过去十年中,该公司已投入约6.3万亿韩元(49亿美元)进行研发投资。在材料、工艺和核心技术领域LGES拥有超过27000项专利。包括未决专利在内,总数接近48000件。
据悉,该公司在全球拥有3300多名研发人员。
业内人士表示,“LGES不仅拥有电芯专利,还拥有广泛的知识产权(IP),包括电池组、电池管理系统(BMS)等。开发新的电池而不侵犯他们的专利几乎是不可能的。”
LGES以其创纪录的专利数量为基础,在包括固态和锂硫在内的下一代电池等领域继续进行广泛的研发,并打造智能工厂。为了实现目标,LGES正显著增加研发人员。
伴随着中国电池产业在全球电池市场份额的迅速攀升,LGES世界第一的位置正在受到威胁。
根据能源市场研究公司SNE Research的数据,2023年前四个月,LLGES与中国宁德时代的份额差距缩小至1%左右。前四个月,LGES生产的电动汽车电池在全球市场(不包括中国)的总使用量达到24.1吉瓦时(GWh),比去年同期的16.1 GWh增长49.2%。而在全球市场,宁德时代电池使用量在2023年前四个月几乎翻了一番,达到23.0 GWh,而2022年同期为11.7 GWh。
4.微软以被许可人身份加入Sisvel 5G多模专利池
集微网消息,意大利专利运营公司Sisvel宣布微软已加入5G多模(5G MM)专利池。
Sisvel 5G MM项目经理Donald Chan表示,“我们很高兴地欢迎微软成为5G MM计划的被许可方。这不仅证实了我们的许可报价是公平合理的,而且也强调了我们合作伙伴的专利组合的优点。也相信其他实现者很快就会效仿微软的做法。”
据悉,Sisvel于2022年12月宣布启动其5G MM专利池,许可计划将专注于消费电子产品,包括14家首批许可人拥有的2G、3G、4G和5G标准必要专利(SEP)。首批许可人包括三菱电机、西门子、SK电讯、西班牙电信等。紫光展锐也于今年2月成为许可人。从许可价格上来看,5G MM设备的价格是0.5美元/台,4G MM设备是0.42美元/台,3G MM设备是0.25美元/台。
Donald Chan曾表示,“Sisvel的5G MM计划将成为唯一针对消费电子产品无线市场的蜂窝专利池,Via Licensing已宣布退出该领域。拥有单一专利池将有助于消除市场上的混乱,并提高实施者和许可方的蜂窝许可效率。”
5.日本计划指定25个技术领域对专利保密
集微网消息,据日本网报道,根据促进经济安全的法律,日本政府计划指定25个技术领域,对可用于军事目的的先进信息的专利进行保密。
这25个领域包括使飞机难以被雷达探测到的隐形技术、无人机自主控制技术和乏燃料后处理技术等。
根据现行制度,专利在申请一年半后会被公开。但日本经济安全保障法规定,如果经过国家审查,将其指定为保全对象,就不予公开。
日本新的制度方案指出,作为“有可能产生损害国家及国民安全事态的重大发明”,应将安全上极度敏感的发明指定为保全对象。方案具体列举了使飞机具有隐形性能的“伪装、隐蔽技术”和“与武器相关的无人机、自动控制技术”等15个领域。
据报道,对于可用于超高音速飞行的“固体燃料火箭发动机技术”等10个领域,考虑到对民营产业的影响,仅在出于防卫目的或受国家委托发明的情况下进行指定保全。
据悉,日本政府将向6月中旬召开的经济安全法相关专家会议提出上述制度方案。通过公开征集意见等程序后,力争在明年春天开始加以运用。





