摘 要
载波聚合是5G SA组网部署方案中的重要技术之一,对提升用户体验具有重要价值。当前2CC载波聚合(100 MHz+100 MHz)在现网应用已较为成熟,3CC应用尚在探索阶段。根据3GPP R15协议规范,结合SRS载波轮发技术与SuperMIMO技术研究,探索出一套完整的3CC融合技术方案,并通过测试验证了该方案的可行性及先进性。
0 1
概 述
5G载波聚合技术是5G网络的重要技术之一,可以提升网络速度和容量,从而更好地支持高速数据传输和大规模物联网设备,广泛应用于智能家居、智能城市、智能交通、智能工厂等各种场景。尤其在中国电信和中国联通(下称“电联”)共建共享的大环境下,载波聚合技术能够充分利用各方的频谱资源聚合成更大的带宽,实现用户的极致体验,建立竞争优势。
0 2
3CC组网结构
2.1 协议规范
3GPP R15协议定义了NR CA,最大可将16个CC聚合在一起。当前网络部署主要为低频FR1(最大100 MHz带宽),最大支持3CC聚合,最大聚合带宽为300 MHz。
在3载波聚合场景中,UE可同时使用3个载波。3个载波中,有1个载波称为主载波(Primary Component Carrier,PCC),PCC对应的小区称为PCell。另外2个载波称为辅载波(Secondary Component Carrier,SCC),SCC对应的小区称为SCell。
2.2 电联3CC频谱
根据参与聚合的CC是否属于同一频段以及是否在频域上连续,CA可分为如下3种类型。
a)频段内连续载波聚合:CC同属一个频段,且在频域上连续。
b)频段内非连续载波聚合:CC同属一个频段,但在频域上不连续。
c)频段间载波聚合:CC属于不同的频段。
电联共享的200 MHz 5G频谱及中国广电共享的100 MHz 5G频谱为3.3~3.6 GHz,共计300 MHz连续的频谱资源。根据3GPP低频频段内连续载波聚合规范(对应协议3GPP TS 38.101-1 的Table 5.5A.1-1),NR支持CA_n78D(100+100+100)形式的3CC载波CA组合。因此中国电信、中国联通和中国广电300 MHz频谱适合组成带内连续CA,是极其理想的载波聚合方式(见图1)。

图1 电联与中国广电连续300 MHz频谱示意
0 3
3CC关键技术
3.1 对称CA和非对称CA
对称CA的上行聚合的CC数和下行聚合的CC数相同。非对称CA的上行聚合的CC数和下行聚合的CC数不相同。当存在下行CC数大于上行CC数的情况,没有上行CC的载波只能使用PMI反馈。从这个结论来看,如果采用电联组合的3CC下行CA,将只能使用PMI反馈。
3.2 CA辅载波
有PUSCH资源和SRS资源的辅载波(既支持下行又支持上行的辅载波),简称为“上下行辅载波”。无PUSCH资源且无SRS资源的辅载波(仅支持下行,不支持上行的辅载波),简称为“下行Only辅载波”。由于无法获得终端的SRS权,只能使用PMI权,这类辅载波中的TDD载波下行Beamforming(BF)性能有一定损失。从这个结论来看,电联3CC下行CA将存在BF性能损失。
3.3 SRS载波轮发技术
根据第3.1与3.2节分析,由于NR TDD下行3载波CA中,PUSCH-less TDD CCs没有配置上行控制信道,无法在本CC上自行发送SRS,导致“下行Only辅载波”无法获得终端的SRS权。只能使用PMI反馈,BF性能有一定损失。因此需要研究其他融合技术,弥补该组网方案的缺陷。
通过相关技术文献研究发现,借助SRS载波轮发功能可以利用UE的上行射频模块在PCC和SCC之间以TDM时分轮循的方式发送SRS,帮助TDD“下行Only辅载波”获得SRS信息,改善下行BF性能损失。简化后原理示意如图2所示。
图2 SRS载波轮发功能原理示意
3.4 SuperMIMO技术
SuperMIMO技术是一种新兴的无线技术,与传统MIMO技术不同的是,SuperMIMO技术可以同时支持多个用户设备进行数据传输,大大提高了频谱利用率和系统容量。SuperMIMO技术通过采用大规模天线阵列和先进的信号处理算法,实现了多个用户设备之间的干扰管理,从而实现高效的多用户数据传输。
SuperMIMO技术的原理主要包括Massive MIMO概念、多用户干扰管理技术以及空域多路复用和波束赋形技术。首先,Massive MIMO概念指的是利用大规模天线阵列,通过在基站端增加大量的天线,来提高系统的传输容量和性能。其次,多用户干扰管理技术用于解决多个用户设备同时进行数据传输时,可能产生的干扰问题。最后,空域多路复用和波束赋形技术用于增强信号的传输和接收效果,实现更高的信号传输速率和质量。
SuperMIMO技术在不同领域都有广泛的应用。在5G无线通信系统中,SuperMIMO技术可以大大提高网络容量和覆盖范围,支持更多的用户设备连接。也可以应用于移动通信网络中的网络协作技术,实现更好的系统性能和用户体验。
0 4
3CC载波聚合部署方案
4.1 部署方案
3载波主要应用在室内场景,解决用户大带宽、高速率需求,在高低频段同覆盖组网场景下,高频段通常作为容量层吸收话务,低频段通常作为覆盖层,其中容量层频点优先级高于覆盖层频点优先级。
根据前面章节的分析,基于NR TDD的3CC载波聚合有独立3CC和融合3CC 2种部署方案。
方案1:独立3CC。仅完成3载波建设及3CC CA功能开通,不叠加其他技术。如图3所示,利用3个pRRU各开通1个NR TDD小区(3.3 GHz,3.4 GHz,3.5GHz各1个载波),覆盖范围完全重叠,不叠加部署融合技术。
图3 室内NR 3CC单载波分布示意
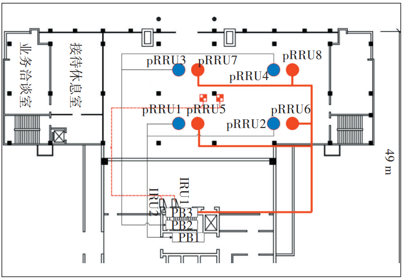
方案2:融合3CC。在3CC CA功能开通基础上,考虑引进SRS载波轮发技术作为BF性能损失补偿,并且利用SuperMIMO组网技术,进一步发挥CA效果。如图4和图5所示,Cell1(开通3.3 GHz)下挂pRRU1、pRRU2;Cell2(开通3.4 GHz)下挂pRRU3和pRRU4;
Cell3(开通3.5 GHz)下挂pRRU5和pRRU6、pRRU7和pRRU 8。Cell1和Cell2使用1块VBPe21单板,Cell3单独使用1块VBPe21单板。每个PB需要2条光路分别对应PB的OF1和OF2口和基带板连接。在具体实施过程中,需要注意以下事项。
图4 设备改造分布示意
图5 SuperMIMO改造后3CC载波分布示意
a)结合现场环境,保证各pRRU之间以及pRRU到测试区域,可视无阻挡。
b)建议pRRU外露安装。如果无法外露安装所有8个pRRU,可以在天花板内安装,但要保证天花板内各个pRRU可视无阻挡。
c)开通3个室内TDD NR载波,可能会受到室外TDD宏站信号干扰,需要适当控制室外宏站信号覆盖范围。
4.2 方案验证
为尽量减少外在干扰因素的影响及基于实用场景考虑,选择某热点区域室内环境,分别验证2种方案的增益情况。
4.2.1 方案1:独立3CC CA
4.2.1.1 CA开启前
UDP灌包测试:3个终端分别接入3.3/3.4/3.5 GHz单载波,关闭CA功能,3个载波同时下行UDP灌包,峰值测试仅能达到1 Gbit/s左右,其中3.4 GHz现网存在同频干扰速率为800 Mbit/s左右,3个终端下行速率合计为2.9 Gbit/s。
Speedtest测试:3个终端同时进行相同服务器测试,与UDP灌包测试结果接近,合并下行速率达2.9Gbit/s。
4.2.1.2 CA开启后
UDP灌包测试:开启3载波CA功能,终端接入主载波并完成添加2个辅载波后,进行下行UDP灌包测试。3.3 GHz主载波及3.5 GHz辅载波都只支持PMI模式,峰值接近1 Gbit/s,3.4 GHz辅载波由于现网存在室外宏站同频干扰,在对部分小区闭站后峰值可以达到730 Mbit/s。3CC聚合峰值速率达到2.6 Gbit/s左右。
Speedtest测试:开启3载波CA功能,单个终端测试。使用公网相同服务器测试,峰值速率为2.34 Gbit/s。
4.2.2 方案2:融合3CC
4.2.2.1 CA开启前
UDP灌包测试:3个终端分别接入3.3/3.4/3.5G单载波,关闭CA功能,3个载波同时下行UDP灌包,由于引入了SuperMIMO组网技术,峰值接近理论峰值。其中3.3 GHz/3.5 GHz峰值速率稳定达到1.5 Gbit/s+,3.4GHz现网测试存在宏站同频干扰,对部分小区关闭后峰值速率达到1.4 Gbit/s左右。3台终端峰值合计速率达到4.4 Gbit/s。
Speedtest测试:3终端分别接入3.3/3.4/3.5 GHz单载波,关闭CA功能,3个载波峰值速率都可以达到1.4Gbit/s以上,接近理论峰值,3部终端峰值合并速率稳定达到4.3 Gbit/s+。
4.2.2.2 CA开启后
UDP灌包测试:开启3载波CA功能,终端接入主载波并添加2个辅载波后,进行下行UDP灌包测试。
其中任意载波都可以做主载波。主载波可以达1.5Gbit/s,辅载波峰值接近1 Gbit/s,总峰值速率可以达到3.4 Gbit/s。
Speedtest测试:开启3载波CA功能,单个终端测试。3载波聚合下行峰值速率可以达到2.68 Gbit/s。
4.2.3 方案比较
如图6所示,3CC载波聚合较之单载波模式,Speedtest实测速率从1 Gbit/s提升2.3 Gbit/s,提升幅度达到130%。在大带宽需求场景具有极大的推广意义。引进SRS载波轮发技术和SuperMIMO技术融合后,Speedtest实测速率从2.3 Gbit/s提升2.68 Gbit/s,提升幅度达16.25%,优势明显。
图6 方案效果对比
0 5
结束语
载波聚合特性可有效提高上/下行数据传输速率,提升用户峰值速率和系统容量,还有助于增强网络上行覆盖性能,提高数据传输的可靠性。
本文从3GPP协议入手,对3CC CA组网结构进行梳理,寻找3CC CA技术优缺点,并通过研究发现SRS载波轮发技术、SuperMIMO技术能较好地弥补3CC下行CA的缺陷,能够更好地发挥CA性能。
作者简介
陈虎,工程师,硕士,主要从事移动通信新技术、无线网络规划优化以及创新业务拓展相关项目管理等方面的研究工作;
范琨,高级工程师,硕士,主要从事网络优化、网络技术创新管理等工作。







