今天来学习原始神经外胚层肿瘤,Hart和Earle在1973 年首次报道了PENT,原始神经外胚层肿瘤(Primitive neuroectodermal tumors of the brain in children)由 ,PENT是一种罕见的高度恶性神经系统肿瘤,为神经嵴衍生的较原始的肿瘤,主要由原始神经上皮产生,具有多向分化的潜能。
PENT侵袭性生长,预后极差,大部分仍需通过病理诊断才能确诊。组织形态学属于恶性小圆细胞肿瘤,分为中枢性和外周性,外周性较常见,文章报道较多,中枢性原始神经外胚层肿瘤相对较少见,而原始神经外胚层肿瘤更为罕见,为发生于小儿大脑的未分化性肿瘤,仅占整个脑肿瘤的 0.1%左右,且多见于儿童,成人中罕见。
PNET在组织学上与小脑髓母细胞瘤相似,并认为它与小脑髓母细胞瘤一样,来源于神经上皮细胞未分化的前体细胞。2000 年 WHO 神经系统肿瘤分类中将胚胎性肿瘤分为以下 4 类:髓上皮瘤、室管膜细胞瘤、髓母细胞瘤及其变型,以及幕上原始神经外胚层肿瘤及其变型(包括神经母细胞瘤)。
下面看一些文献中的病理图片(文章较早)

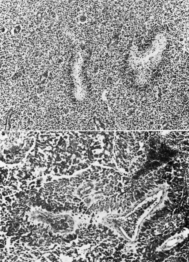
(上):典型的原始神经外胚层肿瘤组织学,显示未分化的细胞和精细的间质网络。
(下):肿瘤细胞未分化,内皮增生明显。
(上):未分化,血管突出,坏死区周围肿瘤细胞呈“假乳样”。
(下):未分化肿瘤中细胞的局灶性血管周围排列。
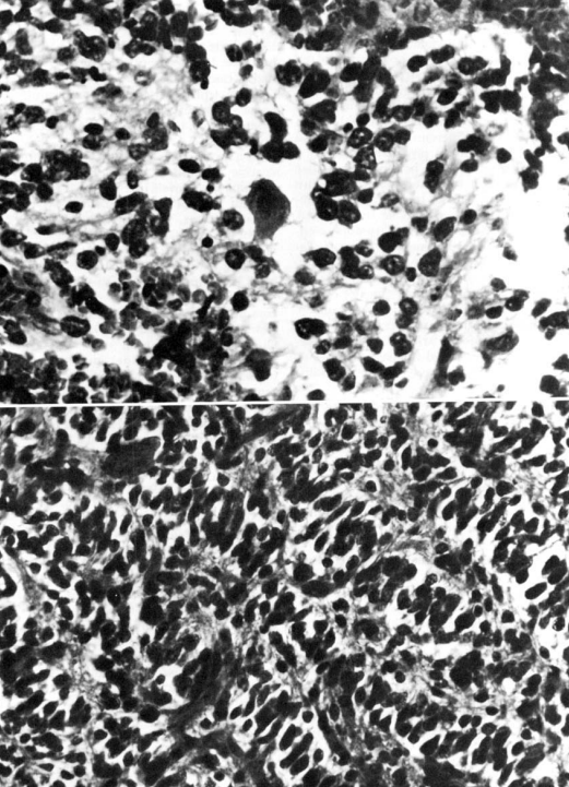
(上):图片中央是暗色的肿瘤细胞岛,包含中心缠结的rosettes。周围组织为间充质,网状蛋白染色呈阳性。
In the center of the picture are islands of darkly staining tumor cells containing rosettes with centtal tangles. The surrounding tissue is mesenchymal and stained positively with reticulin stains.
(下):肿瘤边缘突兀(Abrupt margin of tumor)。此切片也显示 trabeculae(骨小梁)穿过肿瘤。
(上):细胞增大,胞浆增多,细胞核大,核仁突出,提示神经元分化。中央的大细胞很像神经节细胞。
Focus of enlarged cells with increased cytoplasm and large nuclei with prominent nucleoli suggesting neuronal differentiation. Large cell in center closely resembles a ganglion cell.
(下):具有精细细胞突的局灶性海绵状细胞排列,提示胶质细胞分化。Focal spongioblastic-like arrangement of cells with fine cellular processes suggesting glial differentiation.
小结
因为 PNET 发病率低,成人中很罕见,对其影像表现认识不够,所以误诊率高。虽然 PNET 与胶质瘤、脑膜瘤等有相似之处,但是明确 PNET 影像表现,就可以对其做出正确诊断。
参考文献:
Hart, M N, and K M Earle. “Primitive neuroectodermal tumors of the brain in children.” Cancer vol. 32,4 (1973): 890-7. doi:10.1002/1097-0142(197310)32:4<890::aid-cncr2820320421>3.0.co;2-o.





